EasyManua.ls Logo

Snapper CP215519HV - Drive System Self-Propelled

Snapper CP215519HV
30 pages
Print Icon
To Next Page IconTo Next Page
To Next Page IconTo Next Page
To Previous Page IconTo Previous Page
To Previous Page IconTo Previous Page
Loading...
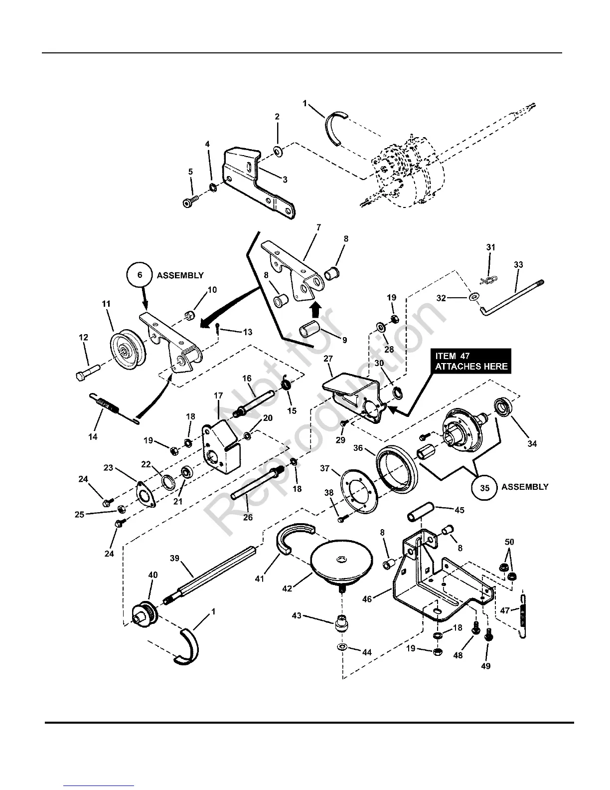
DRIVE SYSTEM SELF-PROPELLED
TP 400-5189-A-WB-N
Manual No. 7006155 21" STEEL DECK WALK BEHIND
SERIES 19 & 20
16
Not for
Reproduction

Related product manuals