EasyManua.ls Logo

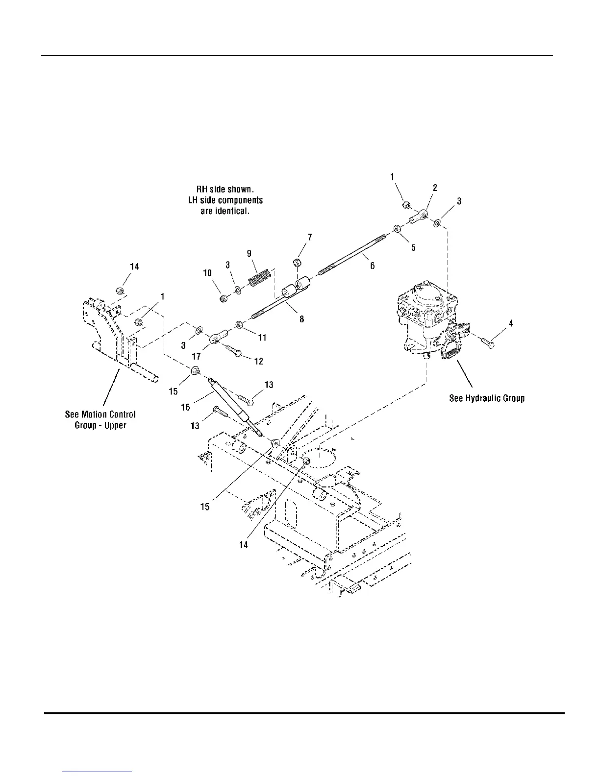
Snapper EZT20500BV - Motion Controls Group - Lower

Snapper EZT20500BV
68 pages
Print Icon
To Next Page IconTo Next Page
To Next Page IconTo Next Page
To Previous Page IconTo Previous Page
To Previous Page IconTo Previous Page
Loading...
Motion Controls Group - Lower
TP 400-5000-4-HZ-N
Manual No. 7006932 FastCut HYDRO DRIVE ZTR
SERIES 0
20

Related product manuals