EasyManua.ls Logo

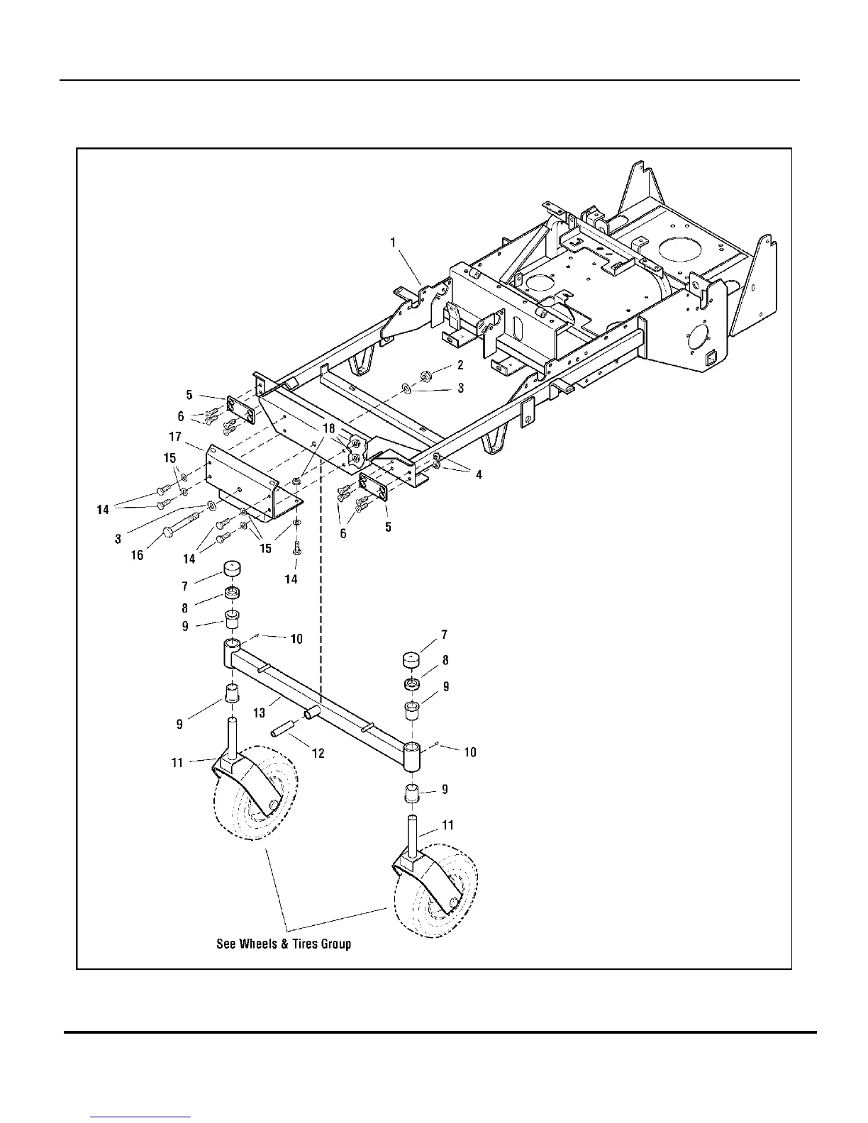
Snapper EZT20500BV - Frame Caster Group

Snapper EZT20500BV
68 pages
Print Icon
To Next Page IconTo Next Page
To Next Page IconTo Next Page
To Previous Page IconTo Previous Page
To Previous Page IconTo Previous Page
Loading...
Frame Caster Group
TP 400-5000-4-HZ-N
Manual No. 7006932 FastCut HYDRO DRIVE ZTR
SERIES 0
6

Related product manuals