EasyManua.ls Logo

Snapper Lawn Mower Accessory - Page 54

Snapper Lawn Mower Accessory
68 pages
Print Icon
To Next Page IconTo Next Page
To Next Page IconTo Next Page
To Previous Page IconTo Previous Page
To Previous Page IconTo Previous Page
Loading...
54
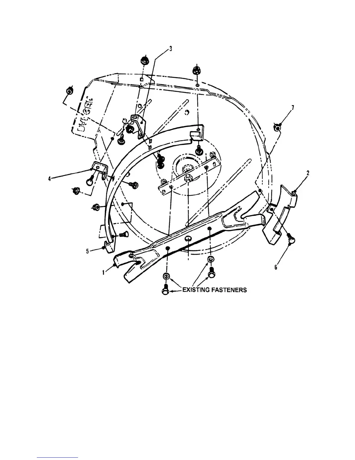
ACCESSORY, 30” RECYCLE KIT 6-1254
ITEM PART NO. DESCRIPTION
-- 6-1254 KIT, 30” Recycle (Includes items 1 Thru 7)
1 2-6565 BLADE, 30” Ninja
2 3-3996 BAFFLE, 30” Deck
3 3-3997 ANGLE, 30” Deck Brace
4 3-3998 ANGLE, 30” Deck Brace
5 3-3999 BAFFLE, 30” Deck
-- 6-1301 BAG, Hardware (Includes items listed below)
6 9-1026 BOLT, 5/16-18 x 5/8” Short Neck carriage, Grade 5 (8)
7 9-1070 NUT, 5/16-18 Hex Flange (8)
MANUAL No. 06613 LT SERIES (Small Frame)

Related product manuals