EasyManua.ls Logo

Snapper S150XK0H2348 - Parking Brake Group

Snapper S150XK0H2348
56 pages
Print Icon
To Next Page IconTo Next Page
To Next Page IconTo Next Page
To Previous Page IconTo Previous Page
To Previous Page IconTo Previous Page
Loading...
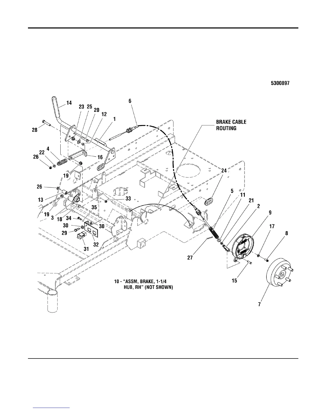
Parking Brake Group
NOTE: Unless noted otherwise, use
the standard hardware torque
specification chart.
The above parts group applies to the following Mfg. Nos.:
2007
28
© Copyright Briggs and Stratton. All Rights Reserved.
5900665
5900686
5900696
5900697
TP 400-7331-F-M1-SP

Related product manuals