EasyManua.ls Logo

Snapper SERIES 19 - Transmission (Differential)

Snapper SERIES 19
38 pages
Print Icon
To Next Page IconTo Next Page
To Next Page IconTo Next Page
To Previous Page IconTo Previous Page
To Previous Page IconTo Previous Page
Loading...
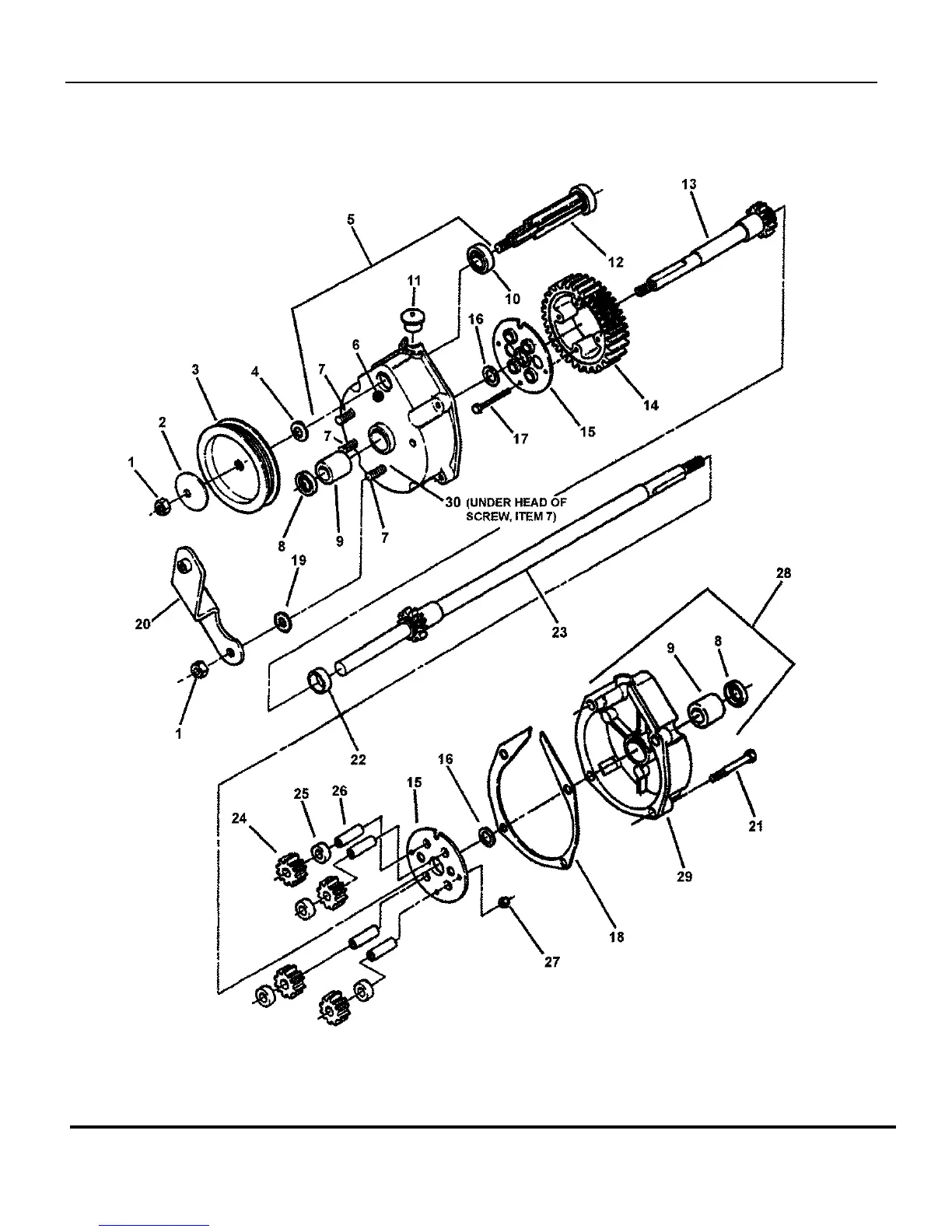
TRANSMISSION (DIFFERENTIAL)
TP 400-5187-B-WB-N
21" STEEL DECK WALK BEHIND MOWERS
SERIES 19
20
Manual No. 7006149

Related product manuals