EasyManua.ls Logo

Snapper SPA521 - OIL TANK ASSEMBLY (All Except SPLH231 KHE

Snapper SPA521
70 pages
Print Icon
To Next Page IconTo Next Page
To Next Page IconTo Next Page
To Previous Page IconTo Previous Page
To Previous Page IconTo Previous Page
Loading...
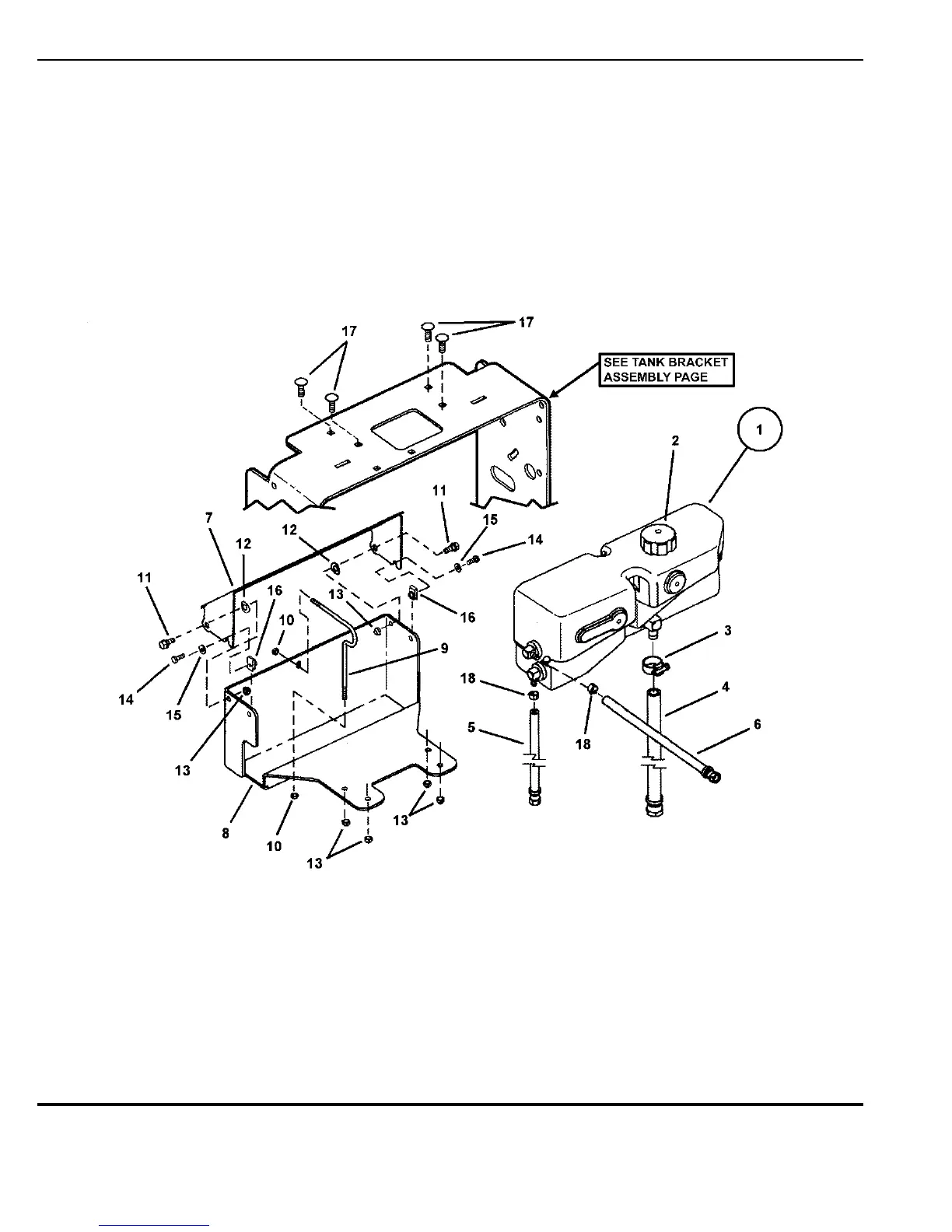
OIL TANK ASSEMBLY (All Except SPLH231KHE)
TP 400-5023-4-CW-N
Manual No. 7006928 PRO HYDRO
SERIES 1 & 2
12

Related product manuals