EasyManua.ls Logo

Snapper SPA521 - Page 20

Snapper SPA521
70 pages
Print Icon
To Next Page IconTo Next Page
To Next Page IconTo Next Page
To Previous Page IconTo Previous Page
To Previous Page IconTo Previous Page
Loading...
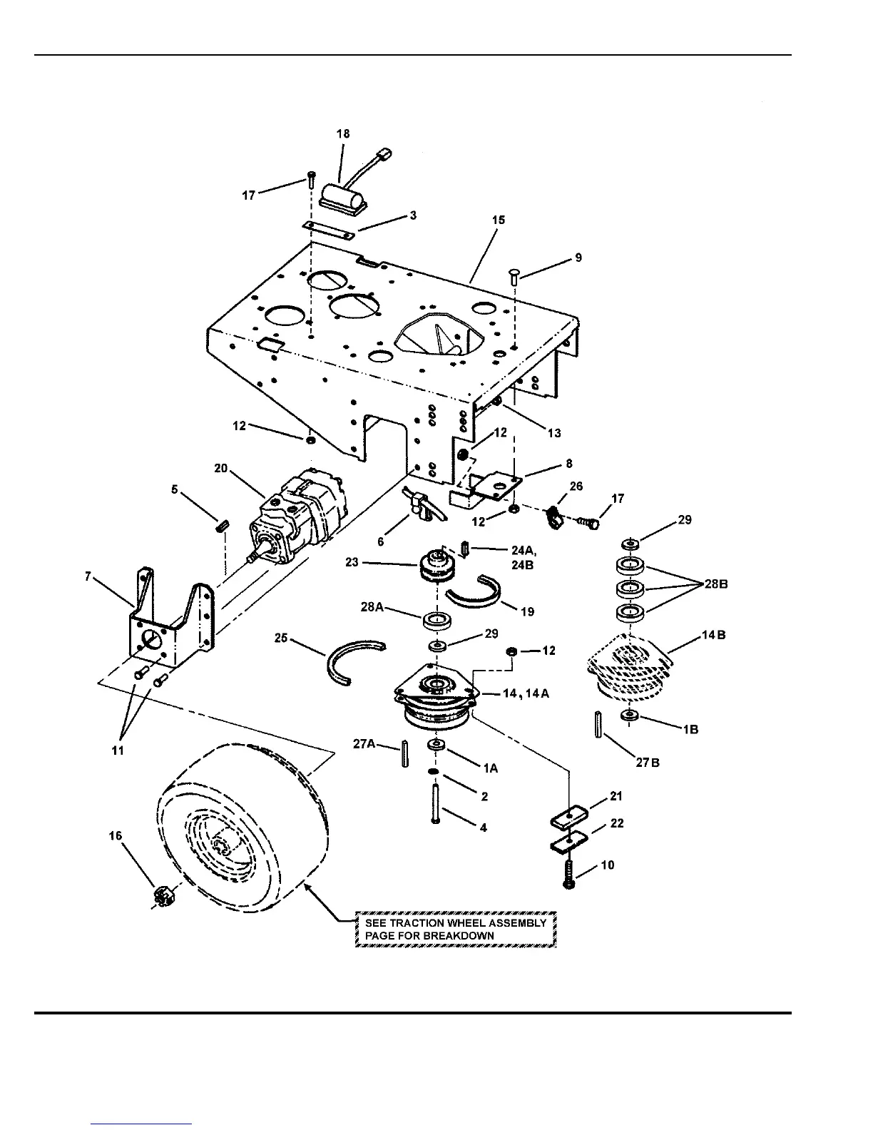
REAR DECK ASSEMBLY
TP 400-5023-4-CW-N
Manual No. 7006928 PRO HYDRO
SERIES 1 & 2
20

Related product manuals