EasyManua.ls Logo

Snorkel TM12E - HYDRAULICS; HYDRAULIC POWER UNIT

Snorkel TM12E
232 pages
Print Icon
To Next Page IconTo Next Page
To Next Page IconTo Next Page
To Previous Page IconTo Previous Page
To Previous Page IconTo Previous Page
Loading...
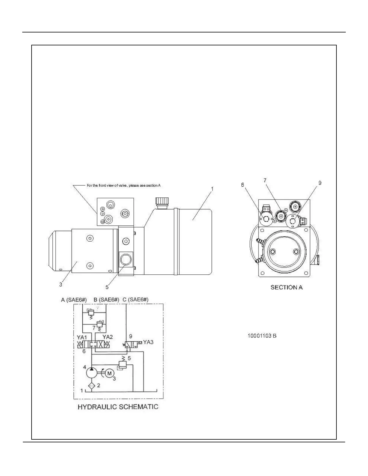
HYDRAULICS
TM12E PARTS MANUAL HYDRAULIC POWER UNIT
HYDRAULIC POWER UNIT Mon Feb 15 04:09:37 UTC 2021 3-1

Table of Contents

Related product manuals