EasyManua.ls Logo

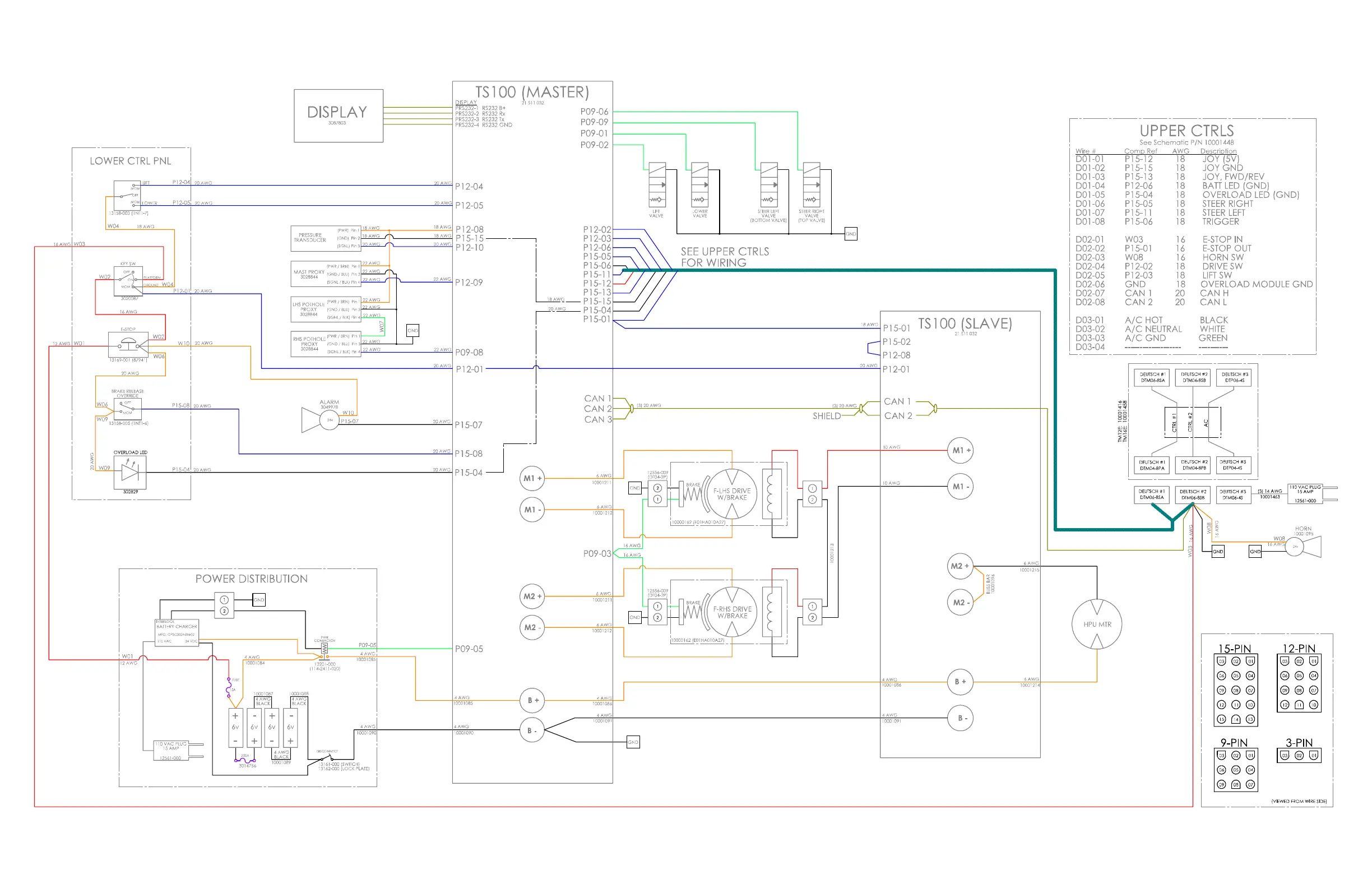
Snorkel TM12E - TM12 E TM16 E ELECTRICAL SCHEMATIC 10001446 B ADDED BRAKE CONNECTOR NOTE

Snorkel TM12E
232 pages
Print Icon
To Next Page IconTo Next Page
To Next Page IconTo Next Page
To Previous Page IconTo Previous Page
To Previous Page IconTo Previous Page
Loading...

Table of Contents

Related product manuals