EasyManua.ls Logo

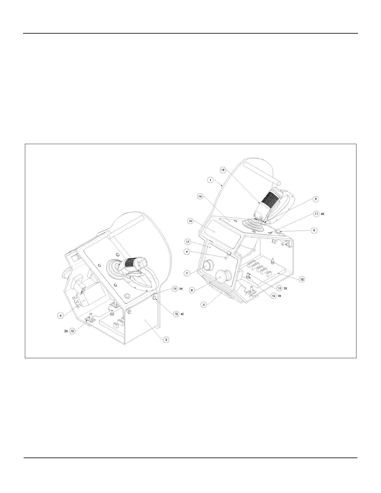
Snorkel TM12E - PLATFORM CONTROL BOX TM WITH OVERLOAD ASSEMBLY OCTOBER 2017 through FEBRUARY 2019

Snorkel TM12E
232 pages
Print Icon
To Next Page IconTo Next Page
To Next Page IconTo Next Page
To Previous Page IconTo Previous Page
To Previous Page IconTo Previous Page
Loading...
ELECTRICAL
TM12E PARTS MANUAL
PLATFORM CONTROL BOX TM WITH OVERLOAD ASSEMBLY OCTOBER 2017 through FEBRUARY 2019
PLATFORM CONTROL BOX TM WITH OVERLOAD ASSEMBLY OCTOBER 2017 through FEBRUARY 2019
Mon Feb 15 04:09:48 UTC 2021 4-20

Table of Contents

Related product manuals