EasyManua.ls Logo

Sodi DD2 - 7-Assembly of the Kg Unico Body Work

Default Icon
34 pages
Print Icon
To Next Page IconTo Next Page
To Next Page IconTo Next Page
To Previous Page IconTo Previous Page
To Previous Page IconTo Previous Page
Loading...
DD2 MANUAL
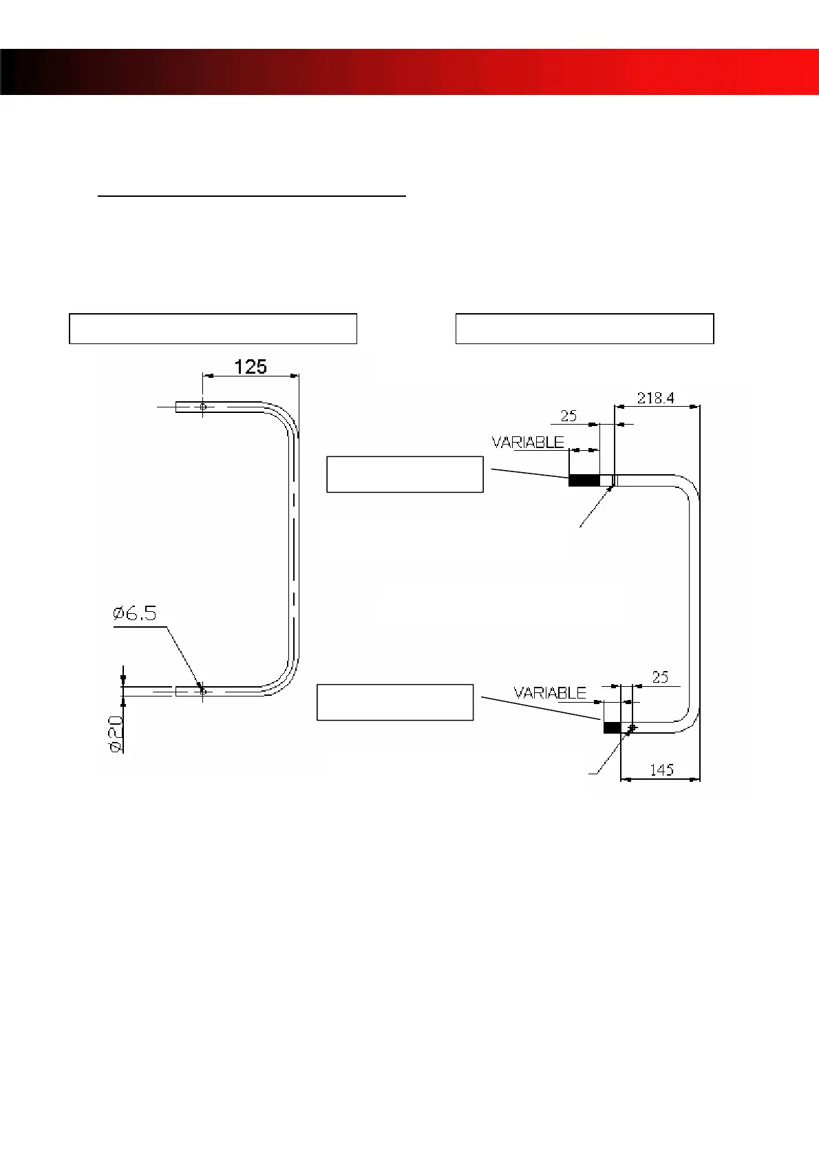
7-ASSEMBLY OF THE KG UNICO BODY WORK.
7-1 PREPARING THE KG UNICO SUPPORTS.
In order to comply with the CIK/FIA rules, carefully prepare the supports as indicated below.
(Measurements in mm)
SPOILER LOWER SUPPOR
T
SIDE POD SUPPOR
DRILL 6.5MM DIAM HOLE,
VERTICAL
DRILL 6.5 MM DIAM HOLE,
HORIZONTAL
End to cut
End to cut
NOTE:
- NOT COMPLYING WITH THE CIK/FIA RULES MAY LEAD TO
DISQUALIFICATION DURING A COMPETITION.
- 12 -

Related product manuals