EasyManua.ls Logo

Solem SMART-IS - Wiring and Status Information; Wiring

Solem SMART-IS
10 pages
Print Icon
To Next Page IconTo Next Page
To Next Page IconTo Next Page
To Previous Page IconTo Previous Page
To Previous Page IconTo Previous Page
Loading...
24Vac
24 VAC - S + C P 1 2 3 4 5 6
7 8 9 1 0 11 12 C
Power
Outputs
Master valve
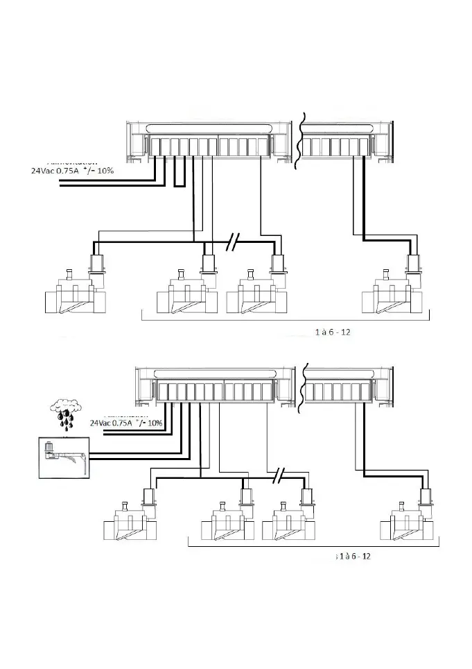
Step 8
WIRING
SMART-IS 1 - 6 SMART-IS 9 - 12
With rain sensor
SMART-IS 1 - 6
24 VAC - S + C P 1 2 3 4 5 6
Power
Outputs
Master valve

Related product manuals