EasyManua.ls Logo

SOLINTEG MHT-25-50K - Electrical Wiring Diagram

SOLINTEG MHT-25-50K
10 pages
Print Icon
To Next Page IconTo Next Page
To Next Page IconTo Next Page
To Previous Page IconTo Previous Page
To Previous Page IconTo Previous Page
Loading...
Pa 2
B
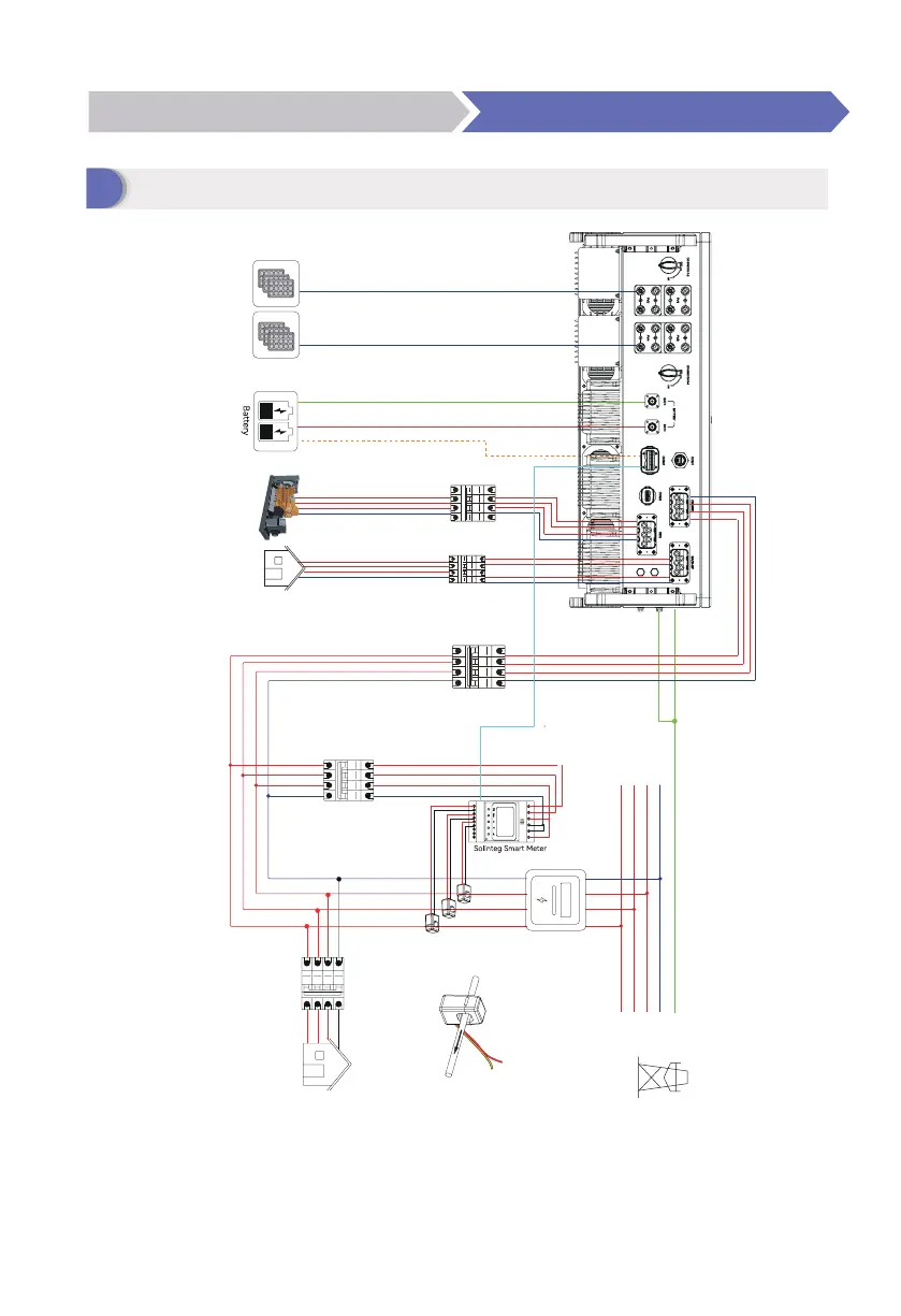
Electrical Wiring Diagram
Pa 1
Installation Electrical Connection
AC Breaker
PV Modules
Back-up
Loads
AC Breaker
Generator
UTILITY
METER
FOR BILLING
PURPOSES
CT
-3
CT
-2
CT-1
LoadsAC Breaker
To Solinteg Meter
AC Breaker
AC Breaker
P
E
N
L
3
L
2
L
1
UTILITY
GRID
S1(Red)
002456
S2(Yellow)
*Solinteg Sma Meter consists of ACR10R and RMM. Dene the cable connections for the meter
based on the actual meter model and refer to Meter Terminals Denition. This cable diagram is for
reference only.
*

Related product manuals