EasyManua.ls Logo

Sony 480p - Advanced AV Amplifier Connections; 5.1 Channel and Digital Audio Setup

Sony 480p
104 pages
Print Icon
To Next Page IconTo Next Page
To Next Page IconTo Next Page
To Previous Page IconTo Previous Page
To Previous Page IconTo Previous Page
Loading...
26
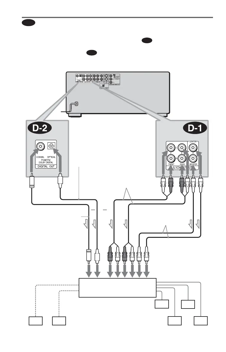
Connecting to an AV amplifier (receiver) with 5.1 ch input jacks and/or a
digital input jack and 4 to 6 speakers
If your AV amplifier (receiver) has 5.1 channel inputs, use .
If you want to use the Dolby Digital, or DTS decoder function on your AV amplifier (receiver),
connect to its digital jack using . With the following connections, you can enjoy a more
realistic audio presence in the comfort of your own home.
D
D-1
D-2
l: Signal flow
Front (R)
Front (L)
Rear (R)
AV amplifier (receiver) having
5.1ch inputs or/and a decoder
Subwoofer
Center
Coaxial digital cord
(not supplied)
Monaural audio cord
(not supplied)
Stereo audio cord
(not supplied)
Optical digital cord
(not supplied)
Remove jack cap
before connecting
[Speakers]
CD/DVD player
[Speakers]
Rear (L)
to audio input
to coaxial or optical
digital input
or
or
to 5.1CH
OUTPUT
to DIGITAL OUT
(COAXIAL or OPTICAL)

Table of Contents

Related product manuals