EasyManua.ls Logo

Sony 480p - Video Cable Connections; Connecting Video Cords

Sony 480p
104 pages
Print Icon
To Next Page IconTo Next Page
To Next Page IconTo Next Page
To Previous Page IconTo Previous Page
To Previous Page IconTo Previous Page
Loading...
19
Hookups
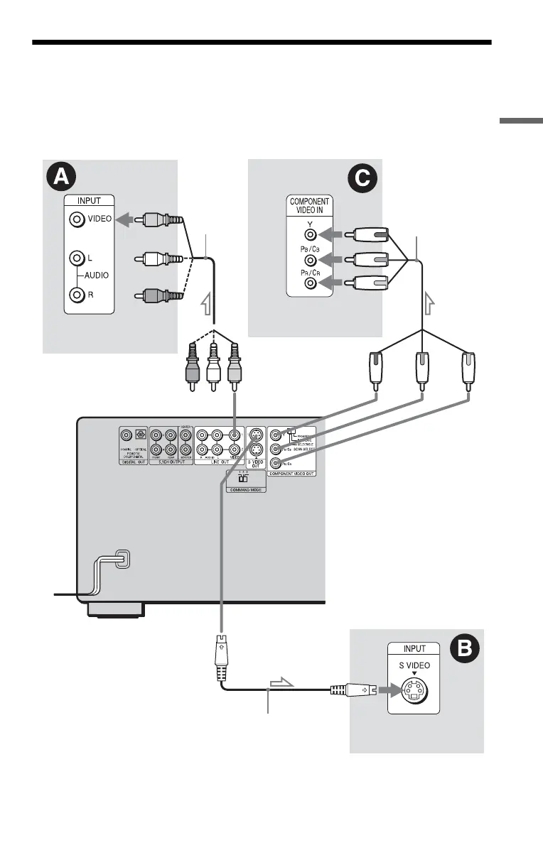
Step 3: Connecting the Video Cords
Connect this player to your TV monitor, projector, or AV amplifier (receiver) using a video cord.
Select one of the patterns A through C, according to the input jack on your TV monitor,
projector, or AV amplifier (receiver). In order to view progressive signal pictures with a
compatible TV, projector, or monitor, you must use pattern C.
l : Signal flow
Component
video cord
(not supplied)
(yellow)
Audio/video
cord (supplied)
TV, projector or AV
amplifier (receiver)
TV, projector or AV
amplifier (receiver)
(red)
S VIDEO cord
(not supplied)
TV, projector or AV
amplifier (receiver)
(green)
(blue)
(yellow)
(green)
(blue)
(red)
to LINE OUT VIDEO
1 or 2
to S VIDEO
OUT 1 or 2
to COMPONENT
VIDEO OUT
CD/DVD player
c continued

Table of Contents

Related product manuals