EasyManua.ls Logo

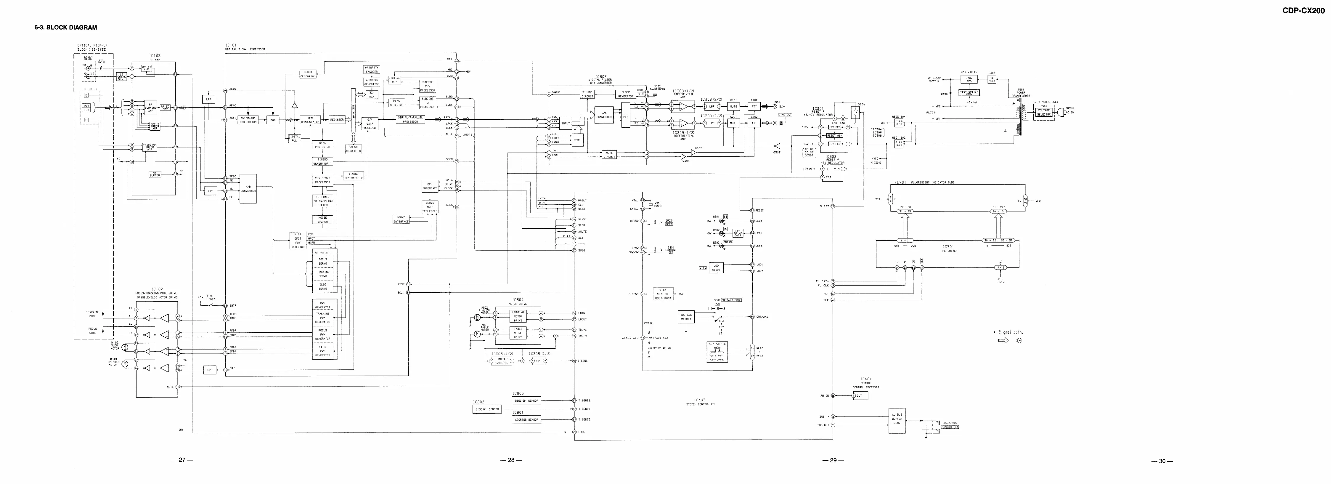
Sony CDP-CX225 - 6-3. Block Diagram

Sony CDP-CX225
71 pages
Print Icon
To Next Page IconTo Next Page
To Next Page IconTo Next Page
To Previous Page IconTo Previous Page
To Previous Page IconTo Previous Page
Loading...