EasyManua.ls Logo

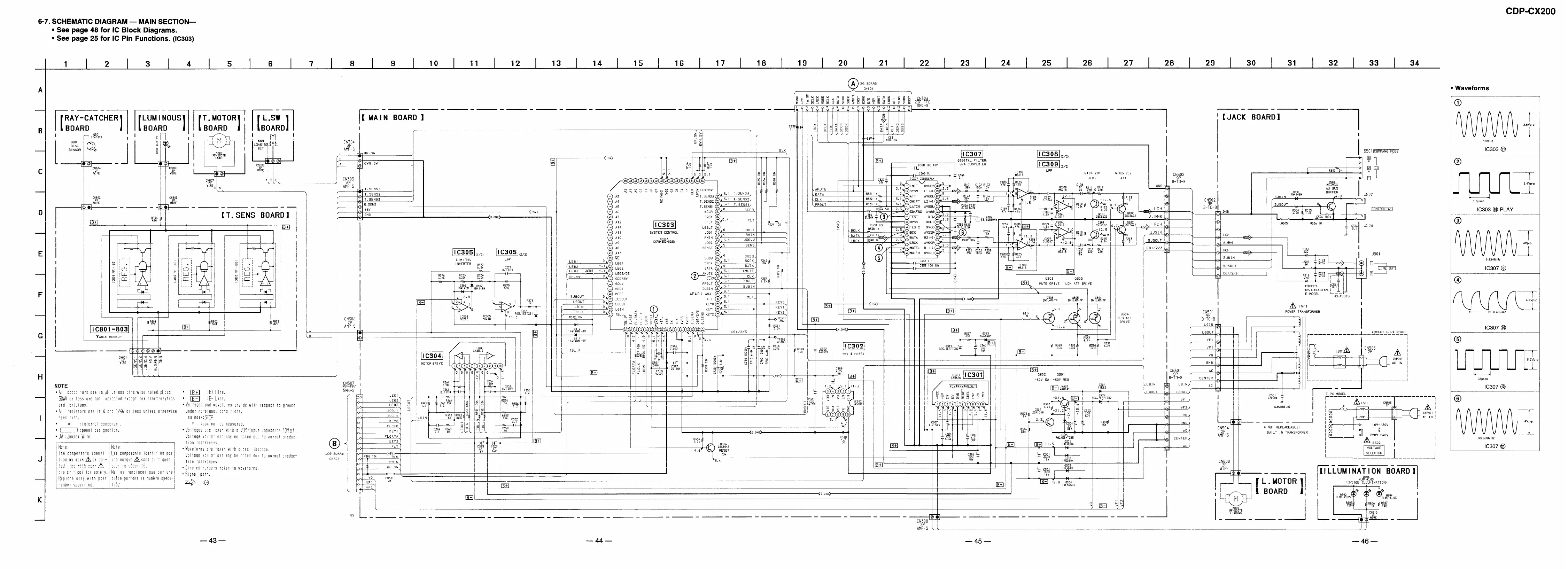
Sony CDP-CX225 - Schematic Diagram - BD, DISP Section

Sony CDP-CX225
71 pages
Print Icon
To Next Page IconTo Next Page
To Next Page IconTo Next Page
To Previous Page IconTo Previous Page
To Previous Page IconTo Previous Page
Loading...

Related product manuals