EasyManua.ls Logo

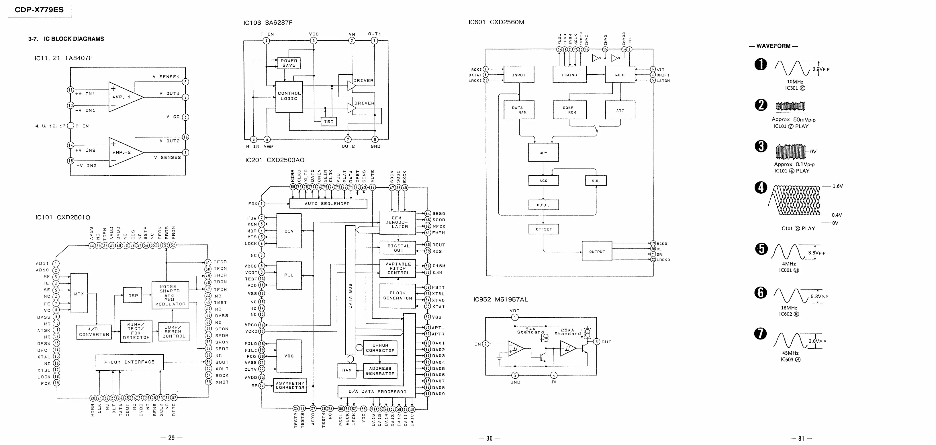
Sony CDP-X779ES - IC Block Diagrams; Waveform

Sony CDP-X779ES
44 pages
Print Icon
To Next Page IconTo Next Page
To Next Page IconTo Next Page
To Previous Page IconTo Previous Page
To Previous Page IconTo Previous Page
Loading...
http://www.jdwxzlw.com/?fromuser=华盛维修
家电维修资料网,免费下载各种维修资料

Related product manuals