EasyManua.ls Logo

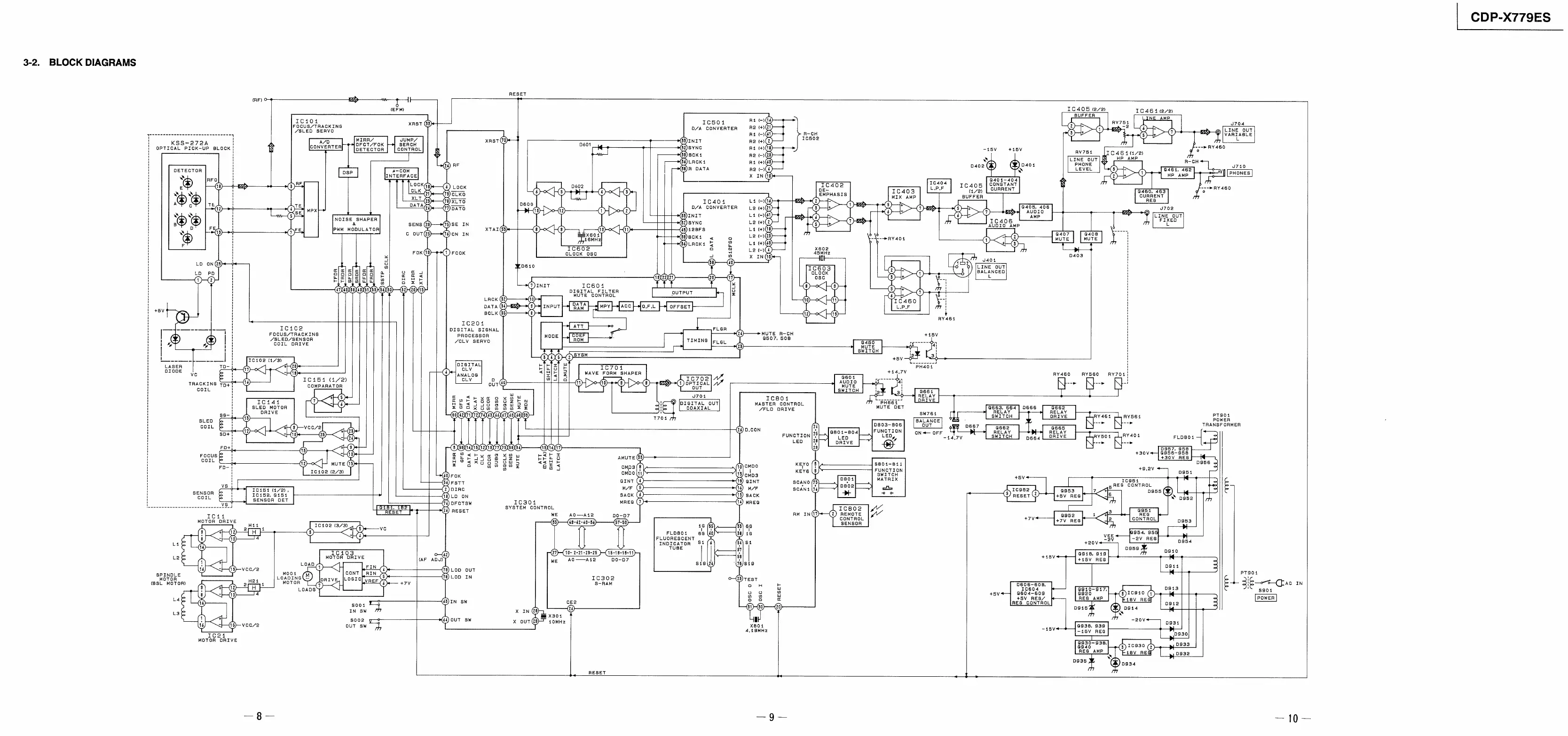
Sony CDP-X779ES - Block Diagrams

Sony CDP-X779ES
44 pages
Print Icon
To Next Page IconTo Next Page
To Next Page IconTo Next Page
To Previous Page IconTo Previous Page
To Previous Page IconTo Previous Page
Loading...

Related product manuals