EasyManua.ls Logo

Sony CDX-GT707UI - Ubicación de Los Controles y Operaciones Básicas; Unidad Principal

Sony CDX-GT707UI
68 pages
Print Icon
To Next Page IconTo Next Page
To Next Page IconTo Next Page
To Previous Page IconTo Previous Page
To Previous Page IconTo Previous Page
Loading...
8
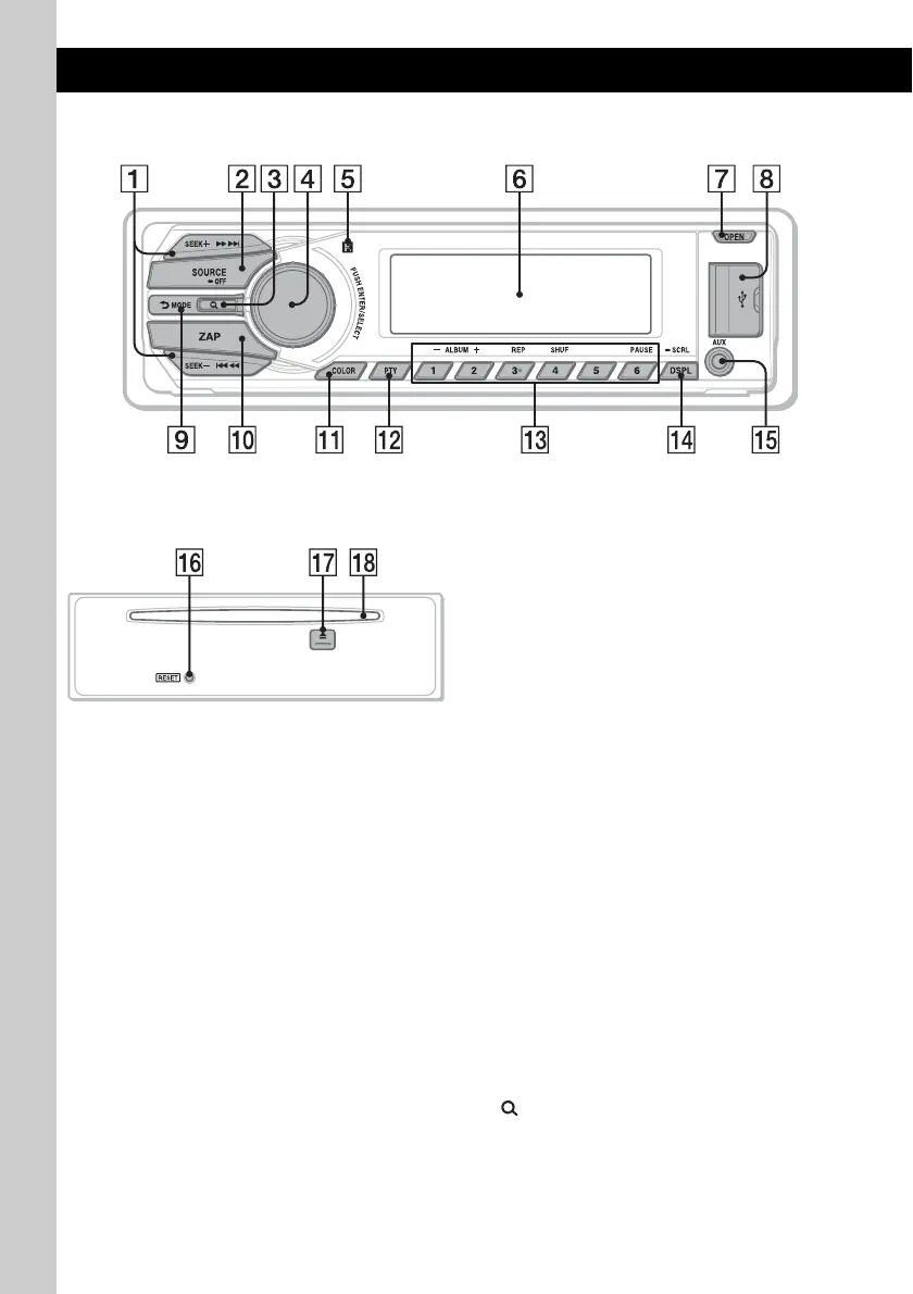
Ubicación de los controles y operaciones básicas
Unidad principal
Panel frontal extraído Este apartado contiene instrucciones acerca de la
ubicación de los controles y las operaciones
básicas.
Consulte las páginas indicadas para obtener
información detallada.
A Botones SEEK +/–
Radio:
Para sintonizar emisoras en forma
automática (presionar); para localizar una
emisora en forma manual (mantener
presionado).
CD/USB:
Para omitir pistas (presionar); para omitir
pistas en forma continua (presionar y volver
a presionar al cabo de 1 segundo y mantener
presionado); para retroceder o avanzar una
pista rápidamente (mantener presionado).
SensMe™:
Para saltar pistas (presionar); para
retroceder/avanzar rápidamente una pista
(mantener presionado).
B Botón SOURCE/OFF
Presione este botón para encender la unidad;
para cambiar la fuente (Radio/CD/USB/
SensMe*
1
/AUX).
Presione 1 segundo para apagar la unidad.
Presione más de 2 segundos para apagar la
unidad y la pantalla desaparece.
C Botón (BROWSE) gina 20
Para acceder al modo Quick-BrowZer™.

Table of Contents

Other manuals for Sony CDX-GT707UI

Related product manuals