EasyManua.ls Logo

Sony CDX-R3300 - CD Mechanism Section (1)

Sony CDX-R3300
46 pages
Print Icon
To Next Page IconTo Next Page
To Next Page IconTo Next Page
To Previous Page IconTo Previous Page
To Previous Page IconTo Previous Page
Loading...
35
CDX-R3300/R3300S
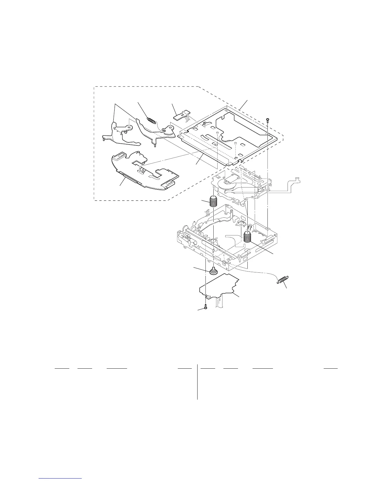
4-3. CD MECHANISM SECTION (1)
(MG-611MA-186//K)
Ref. No. Part No. Description Remark Ref. No. Part No. Description Remark
101 A-3372-455-A CHASSIS (T) SUB ASSY
102 3-253-729-01 SPRING (LTR), TENSION COIL
103 3-253-746-13 SPRING (DAMPER), COMPRESSION
104 3-253-746-03 SPRING (DAMPER), COMPRESSION
105 3-253-695-01 SPRING (KF), TENSION COIL
106 3-253-748-01 DAMPER (S)
107 3-352-758-31 SCREW (M1.7), TOOTHED LOCK
108 A-3283-359-A SERVO BOARD, COMPLETE
#4 7-627-552-87 SCREW, PRECISION +P 1.7X2.2
not supplied
(SENSOR board)
not supplied
not supplied
not supplied
#4
101
102
103
104
105
106
107
108

Other manuals for Sony CDX-R3300

Related product manuals