EasyManua.ls Logo

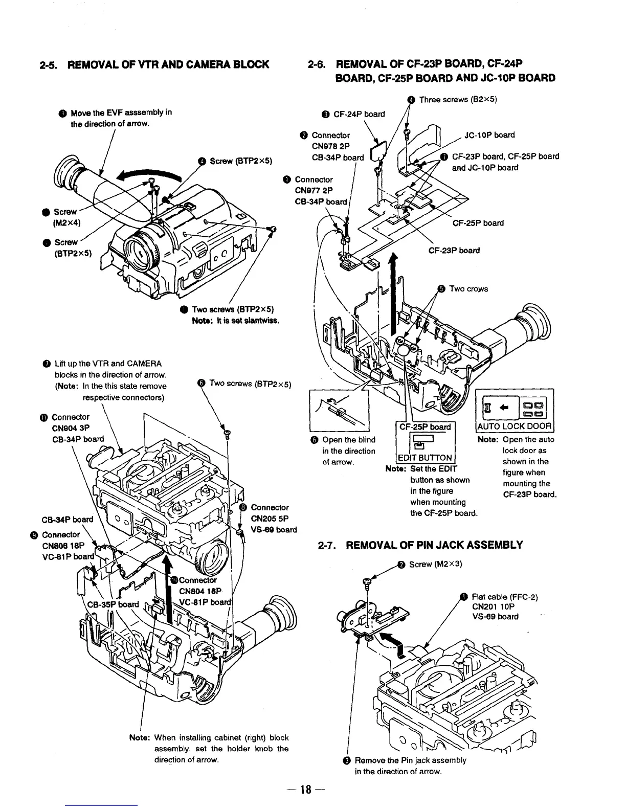
Sony ??D-TR50E - Removal of VTR and Camera Block; Removal of CF-23 P Board, CF-24 P Board, CF-25 P Board and JC-10 P Board; Removal of Pin Jack Assembly

Sony ??D-TR50E
110 pages
Print Icon
To Next Page IconTo Next Page
To Next Page IconTo Next Page
To Previous Page IconTo Previous Page
To Previous Page IconTo Previous Page
Loading...

Table of Contents

Related product manuals