EasyManua.ls Logo

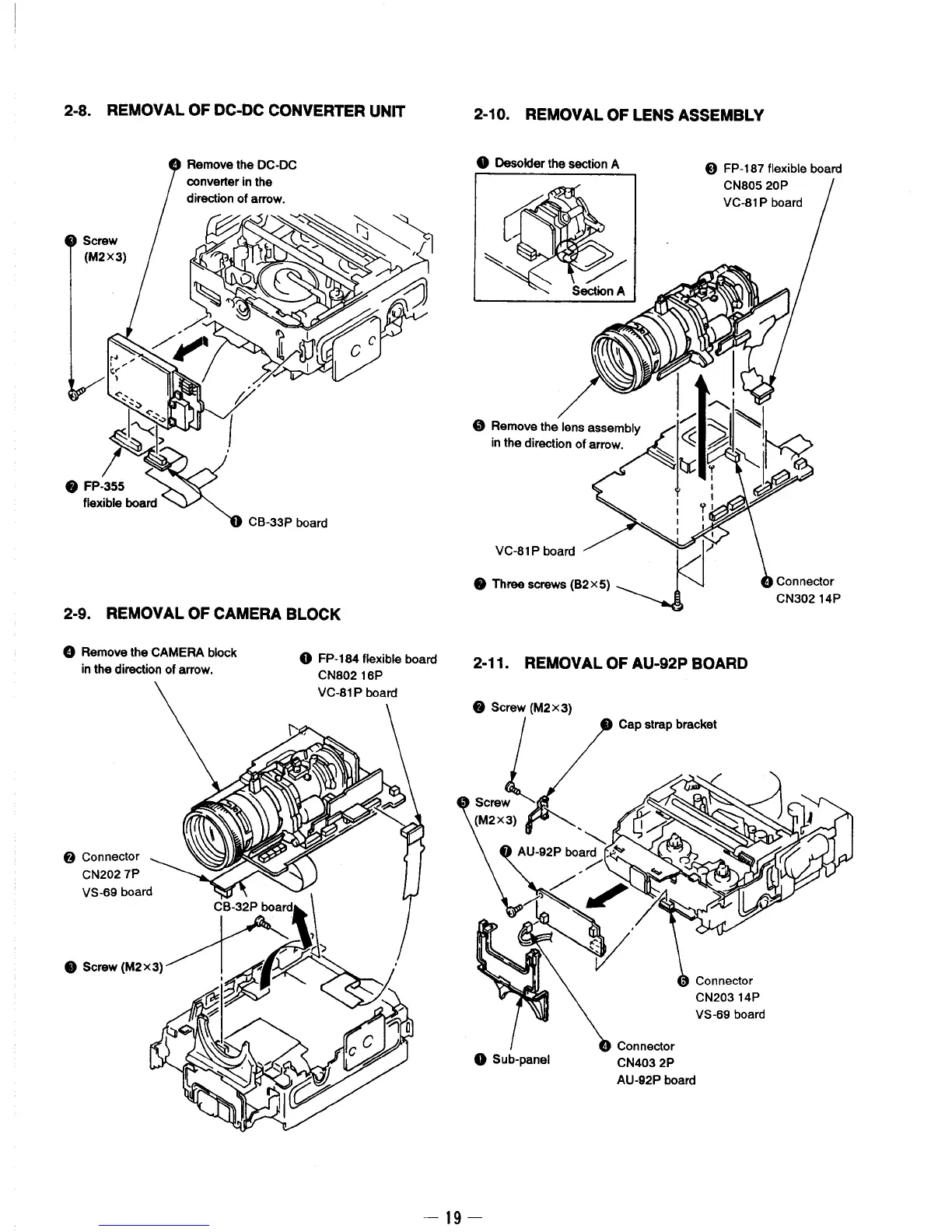
Sony ??D-TR50E - Removal of DC-DC Converter Unit; Removal of Camera Block; Removal of Lens Assembly; Removal of AU-92 P Board

Sony ??D-TR50E
110 pages
Print Icon
To Next Page IconTo Next Page
To Next Page IconTo Next Page
To Previous Page IconTo Previous Page
To Previous Page IconTo Previous Page
Loading...

Table of Contents

Related product manuals