EasyManua.ls Logo

Sony FCB-EX1020 - Key Switch Circuitry

Sony FCB-EX1020
67 pages
Print Icon
To Next Page IconTo Next Page
To Next Page IconTo Next Page
To Previous Page IconTo Previous Page
To Previous Page IconTo Previous Page
Loading...
22
Basic Functions
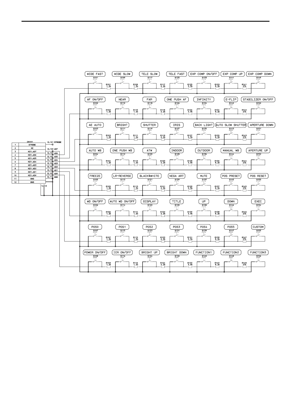
Key Switch Circuitry
The circuitry shown below is an example. Note that all
switches in the figure do not function in all models.
For more information, refer to the command list, check
functions on the camera, or contact your Sony dealer.
The CN101 is connected to the FCB camera main unit.

Related product manuals