EasyManua.ls Logo

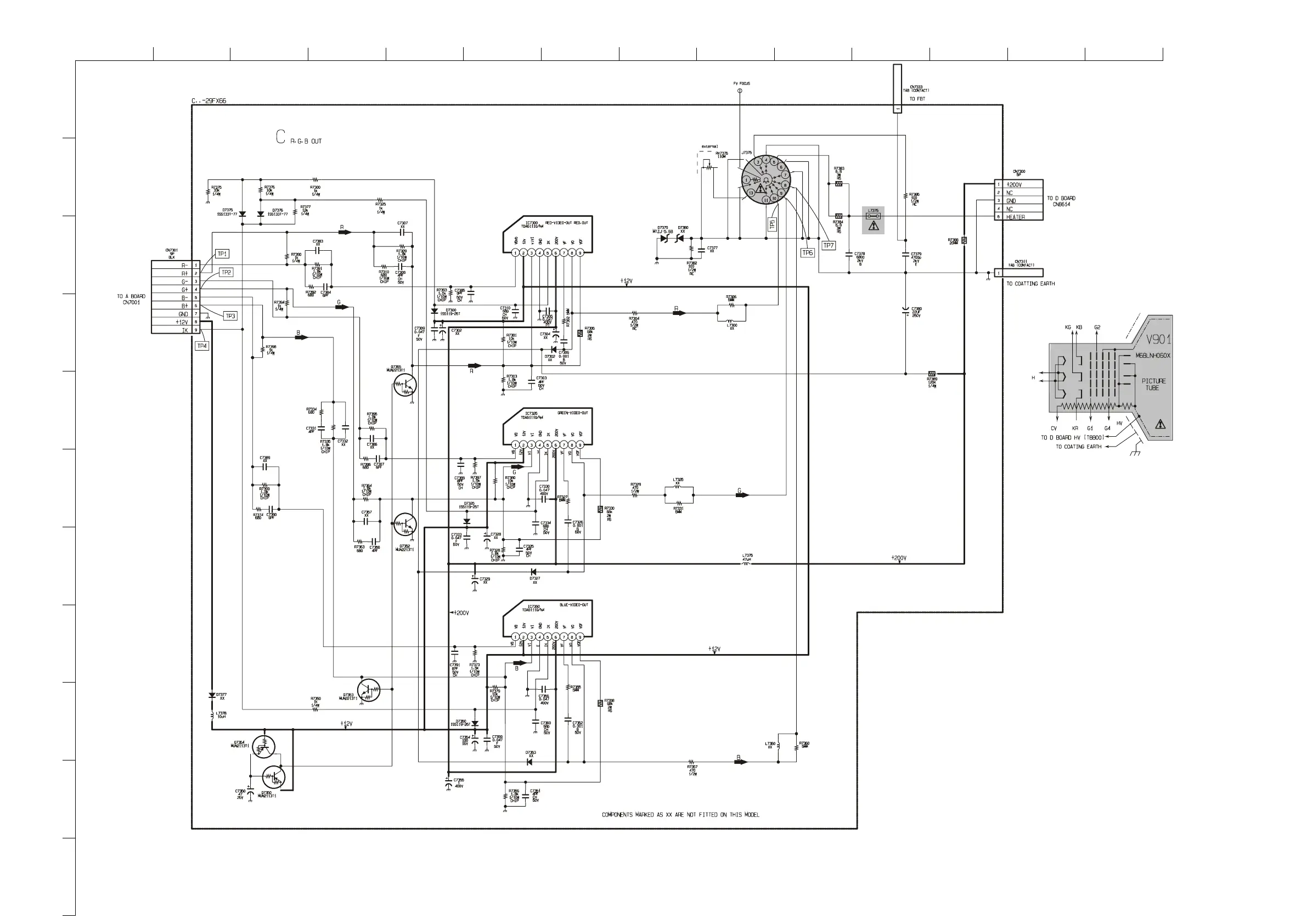
Sony FD Trinitron KV-29FX64E - C Board Schematic

Sony FD Trinitron KV-29FX64E
71 pages
Print Icon
To Next Page IconTo Next Page
To Next Page IconTo Next Page
To Previous Page IconTo Previous Page
To Previous Page IconTo Previous Page
Loading...
ABCDE F
G
HI JKLMN
1
2
3
4
5
6
7
8
9
10
11
- 40 -
~ C Board Schematic Diagram [ R-G-B Out ] ~

Related product manuals