EasyManua.ls Logo

Sony FD Trinitron KV-29FX64E - Page 46

Sony FD Trinitron KV-29FX64E
71 pages
Print Icon
To Next Page IconTo Next Page
To Next Page IconTo Next Page
To Previous Page IconTo Previous Page
To Previous Page IconTo Previous Page
Loading...
- 46 -
3
1
2
+
-
REFERENCE
VOLTAGE
1
5
MUTE/STBY
PROTECTIONS
14
9
10
12
43
2
VOLUME
VOLUME
OP AMP
OP AMP
30K
30K
60K
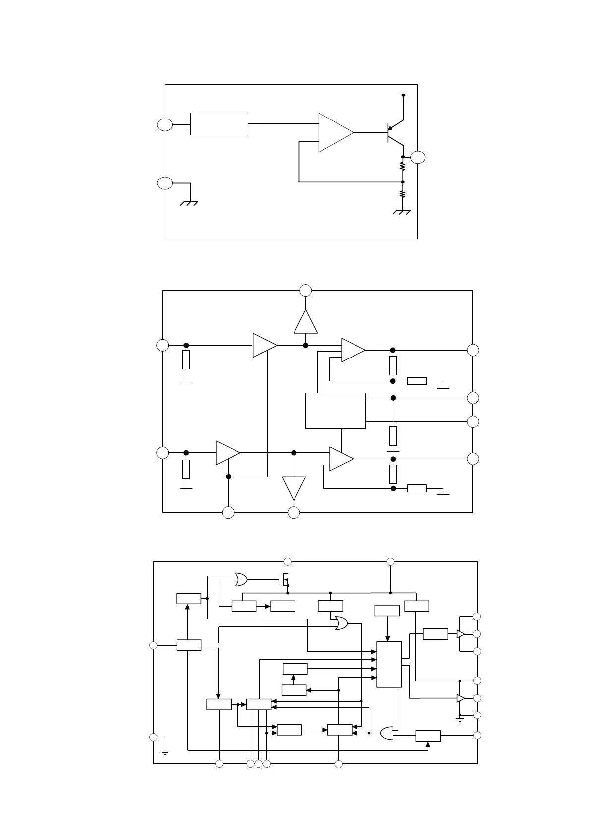
5-5 IC BLOCK DIAGRAMS
4 3 2
6
7
1
5
Vsense
Remote
DVLD
Internal
OFF
Latch
Centre
Osc
SS
F/B
Timer
TSD
OCP
Control
Logic
Level
Shift
Sel=34v
ref 5v
15v/8v
Driver
Reg. 10v
18
8
14
16
15
10
12
11
9
A BOARD IC6202/IC6207/IC6205 BA033T/BA12T
G BOARD IC6001 MCZ3001D
A BOARD IC2500 TDA7497

Related product manuals