EasyManua.ls Logo

Sony HBD-E6100 - Schematic Diagram - MB1002 Board (5;6)

Sony HBD-E6100
94 pages
Print Icon
To Next Page IconTo Next Page
To Next Page IconTo Next Page
To Previous Page IconTo Previous Page
To Previous Page IconTo Previous Page
Loading...
HBD-E2100/E3100/E4100/E6100
HBD-E2100/E3100/E3200/E4100/E6100
4949
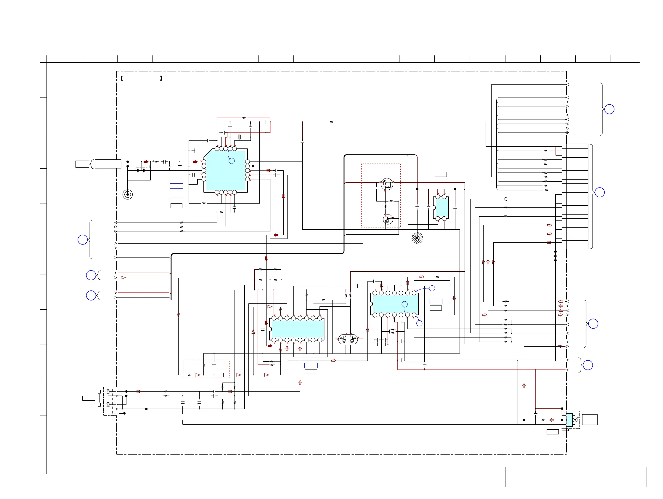
6-12. SCHEMATIC DIAGRAM - MB1002 Board (5/6) - • See page 42 for Waveforms. • See page 59 for IC Block Diagrams.
1
A
B
C
D
E
F
G
H
I
J
K
2 3 4 5 6 7 8 9 10 11 12 13 14 15 16 17
MB1002 BOARD (5/6)
2.5 2.5 1.5 1.6
2.5 5 3.3 1.6 1.6
5 2.5 2.5 2.5 2.5 2.5 0
0
0
5
5
3.3
2.5 2.5
2.5 2.5 2.5
3.3
0
0
3.3 0 0
5.5 5
3.3
1.5
1.5
3.3
3.33.33.3
5
0
5
3
2.5
7654321
891011121314
S
1
2
1
2
3
4
5
6
7
8
9
10
11
12
13
14
15
16
17
18
19
20
21
22
23
24
TAS5538_SCL
TAS5538_SDA
DC_DET
STA516_XPDN
TAS5538_XPDN
TAS5538_XMUTE
TAS5538_XRST
STA516_XPDN
TAS5538_XMUTE
STA516_TH_WARN
TAS5538_SCL
TAS5538_SDA
DRIVER_SD/PVDD_DETECT
TAS5538_XRST
DC_DET
DRIVER_SD/PVDD_DETECT
TAS5538_XPDN
JL717
JL716
JL714
JL718
47k
R740
47k
R741
22R750
22R753
22R754
100R749
22R778
22R779
100R781
100R780
100R782
12k
R712
AUDIO SELECT
DRIVER
JL715
0
R751
47k
R743
47k
R744
CL702
CL701
CL703
3.3VA
GND
DRIVER_SD/PVDD_DETECT
DC_DET
JL740
100
R772
100
R770
100
R769
100
R768
100
R709
22kR708
22kR707
C714
47p
C713
47p
18k
R717
18k
R716
18k
R719
18k
R718
47k
R724
47k
R725
47k
R727
47k
R726
C711
100p
4.7k
R713
C712
0.47
100R760
FB701 120ohm
100R761
47k
R738
47k
R739
Vref
AGND
AVcc
DVdd
DGND
SCKI
LRCK BCK
DOUT
MOD0
MOD1
FMT
VinL
VinR
UNSW5.5V
100
R773
100
R771
STA516_XPDN
TAS5538_XMUTE
PCONT1
PCONT1
UNSW5.5V
22
R766
22
R767
TAS5538_XRST
TAS5538_XPDN
TAS5538_SDA
TAS5538_SCL
NJU72341_POWER
ASEL0
ASEL1
Q702
RTM001P02T2L
OVERLOAD
DETECTION
MIC_SIG
KA5V_OUT
KA5V_OUT
KA5V_OUT
PCONT1
NJU72341_POWER
UNSW5.5V
NJU72341_POWER
C719
0.01
33k
R734
33k
R733
STA516_TH_WARN
SPDIF_IN
AOBCLK
AOMCLK
AOLRCK
AOSDATA0
AOSDATA1
AOSDATA2
MICIN
C751
10
100R786
22R788
ST_RDS_INT
L704
47nH
C738
CL713
C742
47p
C743
68p
I2C_DATA_TUNER
C737
1
X701
12MHz
22R787
CL714
10k
R785
100
R789
CN706
2P
GND
RF
KA5V_IN
I2C_CLK_TUNER
CL715
L703
47nH
IC703
SN74LV4052APWR
1
Y0
2
Y2
3
Y
4
Y3
5
Y1
6
INH
7
VEE
8
VSS
9
B
10
A
11
X3
12
X0
13
X
14
X1
15
X2
16
VDD
CN707
24P
3.3VA
TAS5538_SCL
3.3VA
TASS5538_SDA
TASS5538_XPDN
DRIVE_SD
DC_DET
STA516_TH_WARN
TASS_XRST
STA516_XPDN
TASS5538_XMUTE
DGND
AMP_MCK
DGND
AMP_BCK
DGND
AMP_LRCK
DGND
AMP_D1(FL/FR)
DGND
AMP_D3(C/SW)
DGND
AMP_D2(SL/SR)
DGND
0
R752
22R777
C715 10
C716 10
C726
10
C723
10
C729
10
C730
10
C717
10
C747
0.047
C744
10p
L702
22nH
D702
BAV99-215
IC701
3P
1
2
3
4
5
JL719
CL719
CL704
CL705
CL706
IC710
MM3411A50URE
12
34
Q701
LTC014EUBFS8TL
OVERLOAD
DETECTION
C718
1
C721
1
C728
0.1
C727
0.1
C731
0.1
C706
0.1
C722
0.1
Q703
RN1902
C740
2200p
C741
2200p
1
FRF1
2
FRF2
3
GNDRF
4
CP2
5
GNDRF
6
IIC/RDSI
7
LA
8
CK
910
VDD
GND
DA
R OUT
L OUT
IISD
11
12
13
14
15
CP1
16
X1
17
X2
18
VDD
19
GND
20
VDDRF
C758
10
J702
2P
1
2
3
4
5
C759
0.1
C760
0.1
C745
3p
C746
3p
VOUT
VIN
GND
CE
VCC
VOUT
GND
WHT
RED
G
1
C739
1
IC710
+5V REG
14
MB1002
BOARD
(3/6)
(Page 47)
17
MB1002
BOARD
(6/6)
(Page 50)
7
MB1002 BOARD
(2/6)
(Page 46)
19
MB1002
BOARD
(6/6)
(Page 50)
B
AMP BOARD
(1/3)
CN3505
(Page 53)
18
MB1002 BOARD
(6/6)
(Page 50)
12
MB1002 BOARD
(2/6)
(Page 46)
IC701
OPTICAL RECEIVER
JACK
L707
22nH
IC706
RN5B701-0001
(EXCEPT AEP, UK)
RN5B701-0002
(AEP, U K )
IC706
FM DRIVER
(FM RECEIVER)
IC B/D
IC B/D
IC703
AUDIO SELECT
IC B/D
IC704
PCM1808PWR
IC704
A/D CONVERTER
IC B/D
SP, RU
SP, RU
L
R
AUDIO IN
TV
DIGITAL IN
OPTICAL
ANTENNA
FM
5
1
3
2
0
R7014
Note: IC706 on the MB1002 board cannot exchange with single.
When this part on the MB1002 board is damaged, ex-
change the entire mounted board.
Ver. 1.5

Table of Contents

Related product manuals