EasyManua.ls Logo

Sony HCD-DZ230 - SECTION 6 DIAGRAMS - SCHEMATIC DIAGRAMS; Main Board Schematic Diagram (8;9)

Sony HCD-DZ230
92 pages
Print Icon
To Next Page IconTo Next Page
To Next Page IconTo Next Page
To Previous Page IconTo Previous Page
To Previous Page IconTo Previous Page
Loading...
4444
HCD-DZ230/DZ231/HDZ235
HCD-DZ230/DZ231/HDZ235
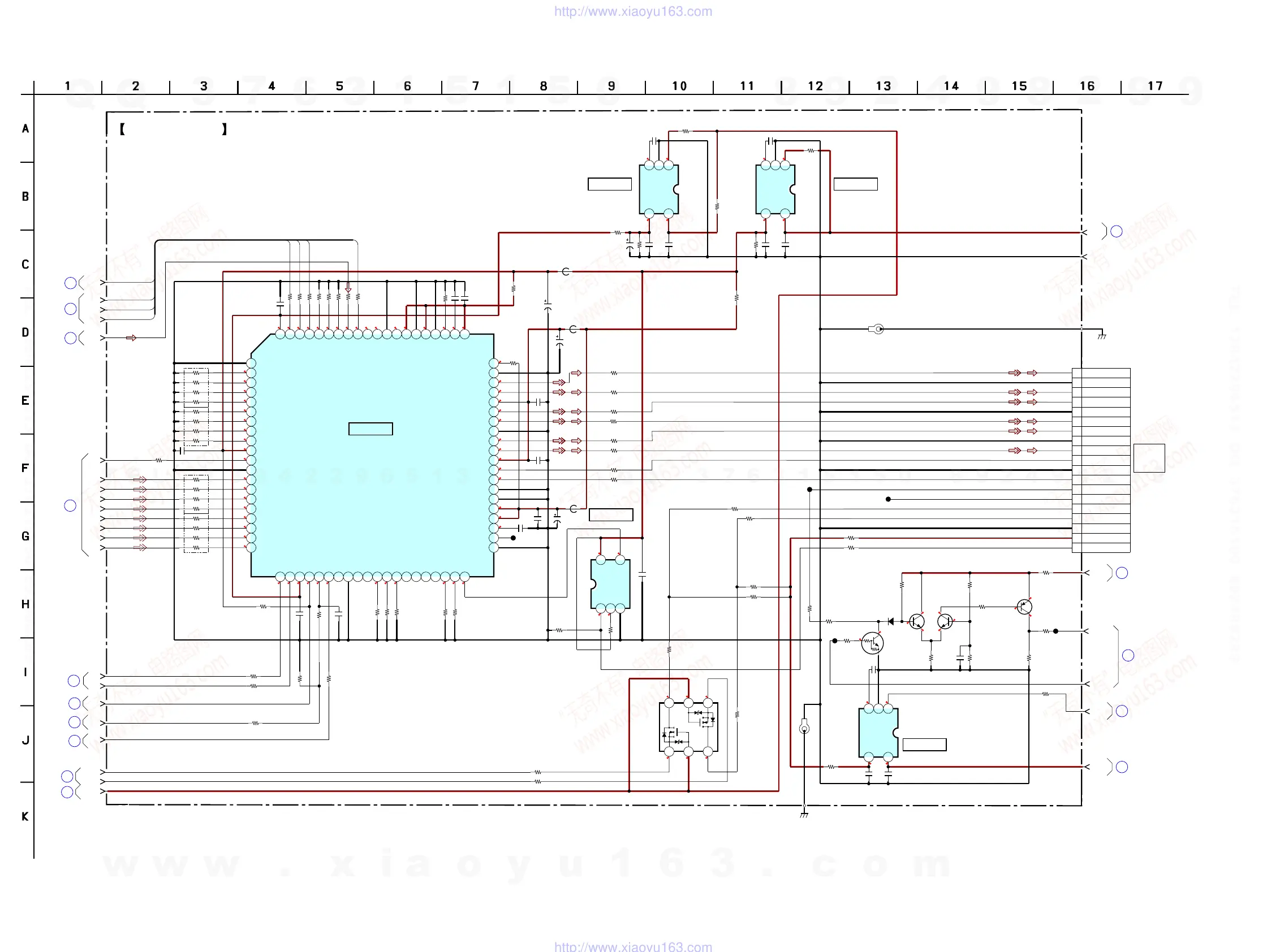
6-15. SCHEMATIC DIAGRAM – MAIN BOARD (8/9) –
• See page 25 for Waveforms. • See page 59 for IC Pin Function Description.
19
MAIN BOARD
(1/9) (Page 37)
28
MAIN BOARD
(1/9) (Page 37)
8
MAIN BOARD
(1/9) (Page 37)
MAIN BOARD
(1/9) (Page 37)
22
MAIN BOARD
(1/9) (Page 37)
(2/9) (Page 38)
24
MAIN BOARD
(1/9) (Page 37)
20
MAIN BOARD
(1/9) (Page 37)
29
30
MAIN BOARD
(1/9) (Page 37)
27
MAIN BOARD
(1/9) (Page 37)
(2/9) (Page 38)
(4/9) (Page 40)
(9/9) (Page 45)
MAIN BOARD
(4/9) (Page 40)
(7/9) (Page 43)
37
MAIN BOARD
(1/9) (Page 37)
(4/9) (Page 40)
31
MAIN BOARD
(4/9) (Page 40)
(9/9) (Page 45)
40
MAIN BOARD
(4/9) (Page 40)
41
MAIN BOARD
(1/9) (Page 37)
(4/9) (Page 40)
(9/9) (Page 45)
18
26
MAIN
BOARD
(1/9)
(Page 37)
1.8
3.3
1.3
5
1.8
3.3
3.3
5
2.8
0
3.3
2.7
3.3
01.6
2.7
3.3
3.3
2.8
1.3
9
5
3.3
5
3.3
3.3
3.3
3.3
5
3.3
0
0
3.3
No mark:DVD STOP
0
1.83.3
3.3
0
0
0
0
0
0
0
3.3
2.9
2.8
2.8
2.8
2.8
2.7
2.7
2.7
2.7
0
1.6
1.6
0
0
0
0
0
0
0
3.3
0
3.3
0
3.3
0
0
0
3.3
0
0
0
0
3.3
0
0
0
3.3
3.3
3.3
1.8
3.3
3.3
1.6
0
0
0
0
0
0
1
2
3
4
5
6
7
8
9
10
11
12
13
14
15
16
17
18
19
20
21
22 23 24
25 26 27 28
29 30 31
32 33 34 35 36 37 38 39 40
41
42
43
44
45
46
47
48
49
50
51
52
53
54
55
56
57
58
59
60
6162636465666768697071727374757677787980
CXD9873Q
IC1701
DVSS
C0
C1
C2
C3
C4
C5
C6
C7
DVDD33
VCK
DVSS
Y0
Y1
Y2
Y3
Y4
Y5
Y6
Y7
SSCK
SSO
DVDD18
#PWDN
#RST
CLK
INT
DVSS
A7/GPO0
A6/GPO1
TRAP2/GPO2
TRAP1/GPO3
TRAP0/GPO4
MSCK/GPO5
MSD/GPO6
TYPE/GPO7
ASDATA4/GPO8
VSYNC/GPO09
HSYNC/GPO10
HTPLG
AVSS
PLLC0
PLLC1
PLL_AVDD3
PLL_AVDD3
AVSS
AVSS
TCKN
TCKP
AVDD3
TX0N
TX0P
AVSS
TX1N
TX1P
AVDD3
TX2N
TX2P
AVSS
SWING
DAC_AVDD3
VREF
FS
AVSS
DAC_AVDD3
AVSS
DAC_AVDD3
G
AVSS
B
R
SPDIF
AD3
AD2
AD1
AD0
ACK
ABCK
ALRCK
DVDD18
54
3 2 1
54
3 2 1
TK11118CSCL-G
IC1702
TK11133CSCL-G
IC1703
54
321
TK11150CSCL-G
IC1707
SW+5V
D-GND
0
R1740
0
R1734
0
R1736
0.01
C1725
0.01
C1717
0.01
C1718
0.01
C1727
0.22
C1729
0.22
C1720
0.22
C1723
0.22
C1716
0.22
C1719
SW+9V
0
R1756
1k
R2705
1k
R2706
0
R1753
0
R1752
0
R1751
0
R1738
0
R1731
50V
22
C1707
50V
10
C1710
0
R1728
0
R1702
0
R1703
0
R1793
0
R1714
0
R1788
0
R1791
0.1
C1702
0.1
C1706
0.1
C1709
0.1
C1704
0.1
C1701
0.1
C1714
10k
RB1701
10k
RB1702
100
R1701
560
R1713
SPDIF
ALRCK
ABCK
ACLK
ASDATA0
VCLK
YUV0
YUV1
YUV2
YUV3
YUV4
YUV5
YUV6
YUV7
SCL
SDA
PWON
XRST
TX27M
HDMI_SCL
HDMI_SDA
SW+3.3V
0
R1706
0
R1707
0
R1785
0
R1786
16V
C1715
47
10k
R1705
10k
R2751
10k
R1721
10k
R1722
10k
R1723
R1726
10k
R1727
10k
100
R1712
0.01
C1703
54
321
TC7SZ08FU(TE85R)
IC1705
4.7k
R1744
47k
R1742
5600p
C1713
510
R1730
0.1
C1712
0.1
C1711
D1 G2 S 2
D2G1S1
UM6K1N-TN
Q1701
0
R1747
0
R1748
1.8k
R1749
1.8k
R1750
0
R1783
0
R1784
JL1701
CL1710
10k
R1757
10k
R1758
10k
R1759
0.22
C1730
16V
47
C1736
CEC_TX_OUT
CEC_RX_IN
FB1701
FB1702
JL1001
JL1002
JL1102
R2711
10
R2716
10
R2712
10
R2717
10
R2713
10
R2718
10
R2714
10
R2715
10
R1746
0
RT1N141C-TP-1
Q9729
0
R9935
22k
R9928
22k
R9929
27k
R9941
10k
R9934
10k
R9922
220
R9945
1k
R9924
0.1
C9772
E3.3V
1SS355WTE-17
D9712
0
RB1711
0
RB1712
XSYSRST
100
R1704
2SC4081T106R
Q9726
2SC4081T106R
Q9728
2SA1576A-T106-QR
Q9724
1
2
3
4
5
6
7
8
9
10
11
12
13
14
15
16
17
18
19
19P
CN1701
TMDS DATA2+
TMDS DATA2 SHIELD
TMDS DATA2 -
TMDS DATA1 +
TMDS DATA1 SHIELD
TMDS DATA1 -
TMDS DATA0 +
TMDS DATA0 SHIELD
TMDS DATA0 -
TMDS CLOCK +
TMDS CLOCK SHIELD
TMDS CLOCK -
CEC
RESERVED
SCL
SDA
DOC/CEC GND
+5V POWER
HPD
R9920
0
1k
R9918
E
EB1701
FB1703
ALRCK
ABCK
ACLK
SPDIF
SPDIF
ALRCK
ACLK
D/MIX
E
EB1703
(CHASSIS)
(CHASSIS)
HDMI
OUT
(DVD ONLY)
MAIN BOARD
(8/9)
IC1701
HDMI DRIVER
IC1702
+1.8V REG
IC1705
AND GATE
IC1707
+5V REG
IC1703
+3.3V REG
BUFFER
CEC SWITCH
CEC SWITCH
CEC SWITCH
CEC SWITCH
w
w
w
.
x
i
a
o
y
u
1
6
3
.
c
o
m
Q
Q
3
7
6
3
1
5
1
5
0
9
9
2
8
9
4
2
9
8
T
E
L
1
3
9
4
2
2
9
6
5
1
3
9
9
2
8
9
4
2
9
8
0
5
1
5
1
3
6
7
3
Q
Q
TEL 13942296513 QQ 376315150 892498299
TEL 13942296513 QQ 376315150 892498299
http://www.xiaoyu163.com
http://www.xiaoyu163.com

Table of Contents

Related product manuals