EasyManua.ls Logo

Sony HCD-EX8T - USB Section Schematic

Sony HCD-EX8T
66 pages
Print Icon
To Next Page IconTo Next Page
To Next Page IconTo Next Page
To Previous Page IconTo Previous Page
To Previous Page IconTo Previous Page
Loading...
HCD-EX6/EX6T/EX8/EX8T/EX9/EX9T
HCD-EX6/EX6T/EX8/EX8T/EX9/EX9T
2727
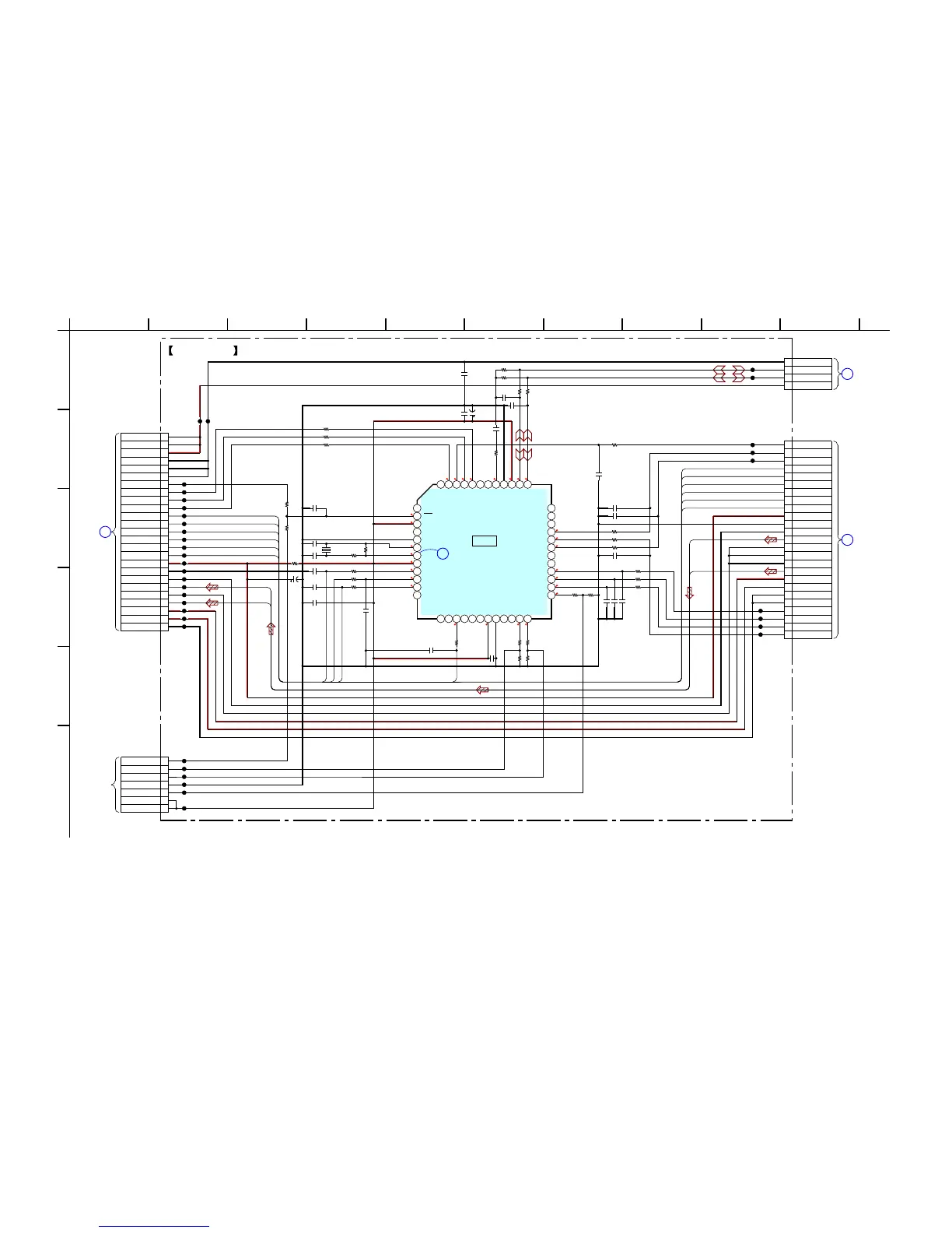
6-7. SCHEMATIC DIAGRAM – USB Section –
• See page 20 for Waveform. • See page 43 for IC Pin Function Descriptions of IC901.
D
3
C
8261 7
E
B
54
F
10
A
9
PANEL
B
BOARD
CN451
1
A
BOARD
CN403
BD74
C
BOARD
CN561
USB-JACK
3.1
0
0
3.3
0
0
3.1
0
2.9
2.5
1.8
3.3
0
0
0
0
0
0
0
0
3.3
1.5
1.8
3.3
3.1
3.2
3.1
IC901
1M
R903
0R904
100R905
100R906
100R907
100
R908
100R924
100
R901
0
R955
100
R909
100
R911
100
R913
100
R902
100k
R910
100k
R912
100k
R914
0.1
C909
33
R953
33
R954
15k
R952
15k
R951
100
R921
47R920
47R918
100R917
100R916
100R915
47R919
100R923
100R922
0.1
C950
0.1
C953
50V
2.2
C954
5p
C952
5p
C951
0.1
C901
2.2
C955
CL901 CL902
CL904
CL905
CL906
CL907
CL908
CL909
CL910
CL911
CL912
CL913
CL914
CL915
CL916
CL917
CL918
CL919
CL920
CL921
CL926
CL925
CL924
CL923
CL922
CL927
CL928
CL929
CL930
CL931
CL932
CL933
0.01
C904
C906
100p
100p
C905
100p
C907
100p
C908
47pC915
47pC916
47pC917
47pC919
47pC920
47pC918
100p
C921
0
R900
22p
C902
22pC903
1
2
3
4
5
6
7
8
9
10
11
12
13
14
15
16
17
18
19
20
21
22
23
24
25
25P
CN901
VBUS5V
VBUS5V
VBUS5V
VBUSGND
VBUSGND
VBUSGND
USB-RST
USB-RXD
USB-TXD
USB-SLEEP
CD-CE
CD-CL
CD-DI
CD-DO
CD-RST
CD-M-MUTE
DVDD(3.3V)
DGND
AGND
CD/USB-Lch
DACGND
CD/USB-Rch
AVDD(3.3V)
CD-VM(7V)
CD-M-GND
CL903
CL934
CL935
LC87F1JJ2AU-SQFP-H
IC901
USB CONTROLLER
1
P73
2
RES
3
XT1
4
XT2
5
VSS1
6
CF1
7
CF2
8
VDD1
9
SO0
10
SI0
11
SCK0
12
SO1
13
SI1
14
SCK1
15
P16
16
P17
17
MCLKI
18
MCLKO
19
VDD2
20
VSS2
21
P00
22
P01
23
DBGP0
24
DBGP1
25
DBGP2
26
SDAT
27
BCLK
28
LRCK
29
P20
30
P21
31
P22
32
P23
33
P24
34
P25
35
P26
36
P27
37
UHD-
38
UHD+
39
VDD3
40
VSS3
41
UFILT
42
AFILT
43
P32
44
URX1
45
UTX1
46
P70
47
P71
48
P72
CL936
16V
100
C900
1
2
3
4
4P
CN903
VBUSGND
D+
D-
VBUS5V
12MHz
X901
1
2
3
4
5
6
7
7P
CN910
TRESET
DBGP0
DBGP1
GND
DBGP2
VDD
VDD
1
2
3
4
5
6
7
8
9
10
11
12
13
14
15
16
17
18
19
20
21
22
23
24
25
25P
CN902
STREQ
STCK
STDATA
CE
CL
DI
DO
RESB
M-MUTE
DVDD(3.3V)
DGND
AGND
L-OUT
DACGND
DACGND
DACGND
R-OUT
AVDD(3.3V)
VM(7V)
MGND
MGND
PCMLRSY
PCMBCK
PCMDATA
PCMREQ
CE
CL
DI
DO
M-MUTE
CE
CL
DI
DO
RESB
M-MUTE
L-OUT
R-OUT
L-OUT
R-OUT
RESB
DI
CL
CE
DO
USB BOARD
PROGRAMMING
FLASH
)(
(Page 25)
(Page 30)
(Page 29)