EasyManua.ls Logo

Sony HCD-GPX33 - Schematic Diagram - MB Board (6;9)

Sony HCD-GPX33
82 pages
Print Icon
To Next Page IconTo Next Page
To Next Page IconTo Next Page
To Previous Page IconTo Previous Page
To Previous Page IconTo Previous Page
Loading...
HCD-GPX33/GPX55/GPX77/GPX88
HCD-GPX33/GPX55/GPX77/GPX88
3535
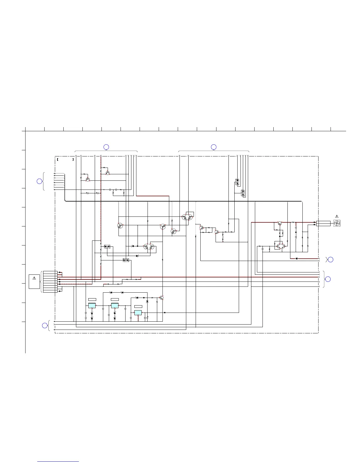
6-12. SCHEMATIC DIAGRAM - MB Board (6/9) -
1
A
B
C
D
E
F
G
H
I
J
K
2 3 4 5 6 7 8 9 10 11 12 13 14 15 16 17
MB BOARD
(6/9)
18 19 20 21 222423 26 25 27 28 29 31 32 33 34
36
35
37
39
38
30
22
5
3.3
6.8
-17.5 -30
0
5
13
13
0.2
13
0.7
0
-61-61
-17.5
-50
5
-61
-61
-30
-30
0
0
5
5
3.3
0
0
0
3.3
3.3
5
5
2.6
-61
-61
-61
5
3.3
0
22
-22
-7
-22
0
1
2
3
4
5
6
7
8
9
1
2
IO
G
/THERMISTER
/AMP-RESET
FAN-DRIVE
/AMP-SD-FAST
/AMP-OCP
/AMP-SD-SLOW
/FAN-LOCK
D1023
BAV70
120k
R1144
120k
R1143
47k
R1141
47k
R1142
D1003
DZ2J068M0L
PROTECTION
SWITCH
RESET SWITCH
D1002
DZ2J068M0L
560kR1128
68kR1127
68kR1129
560kR1130
JL1009
JL1010
JL1011
JL1012
JL1013
150k
R1133
D1006
DZ2J330M0L
D1007
DZ2J140M0L
C1037
0.47
C1045
22
25V
JL1052
JL1082
22k
R1254
100k
R1255
Q1030
LSAR523UBFS8TL
100k
THERMISTER
SWITCH
THERMISTER
SWITCH
R1033
*5
R1252
C1323
100 35V
C1324
100 35V
C1123
100p
470
R1137
C1122
1000p
4.7k
R1164
3.3
R1291
3.3
R1288
2.2
R1290
3.3
R1289
JL1040
JL1039
/AMP-SD-FAST
/AMP-SD-SLOW
/FAN-LOCK
/AMP-RESET
/AMP-CLK
/AMP-OCP
FAN-DRIVE
/THERMISTER
CN1001
9P
+VH
+VH
+VH
+VL
P-GND
-VL
-VH
-VH
-VH
-VH
GND
13V
D+3.3V
FAN+5V
JL1103
JL1025
CN1000
2P
FAN+
FAN-
3.3k
R1346
3.3k
R1099
L1004
220uH
1k
R1349
IC1011
KIA7812AF-RTF/PW
IO
G
IC1012
KIA7812AF-RTF/PW
IO
G
IC1000
KIA7812AF-RTF/PW
D1041
DZ2J150M0L
D1042
DZ2J150M0L
D1048
DZ2J120M0L
D1043
DZ2J062M0L
C1251
0.1
D1044
DZ2J330M0L
D1045
DZ2J140M0L
JL1087
Q1045
XP4501
47k
R1364
0
R1437
3.3k
R1365
1
R1433
1
R1434
Q1050
PROTECTION
SWITCH
LSAR523UBFS8TL
Q1051
PROTECTION
SWITCH
LSCR523UBFS8TL
2.7k
R1370
2.7k
R1371
C1250
0.1
C1252
0.47
C1044
0.1
*5
R1386
FAN DRIVER
FAN DRIVER
C1230
0.1
C1229
0.1
0
R1435
10k
R1095
10k
R1132
10k
R1131
10k
R1251
10k
R1035
10k
R1253
0
R1404
0
R1405
0
R1406
12k
R1094
C1249
0.47
C1309
0.47
Q1033
RESET SWITCH
LTC014EUBFS8TL
Q1032
PROTECTION
SWITCH
RESET SWITCH
LTC014EUBFS8TL
D1024
BAW56
D1008
BAW56
D1009
BAW56
Q1001
RN1902
Q1029
LTA014EUBFS8TL
Q1000
PROTECTION
SWITCH
2SC3722K-E
Q1031
2SC3722K-E
Q1037
2SB1710TL
Q1004
RN4902(T5RSONY,D,F)
D1019
RB551V-30TE-17
C1102
10
-17.5V REG.
IC1011
-30V REG.
IC1012
-50V REG.
IC1000
DC FAN
CONNECT TO
SWITCHING
REGULATOR
BOARD
28
MB
BOARD
(7/9)
(Page 36)
27
MB BOARD
(5/9)
(Page 34)
MB BOARD (4/9)
(Page 33)
25
MB BOARD (5/9)
(Page 34)
26
MB BOARD
(7/9)
(Page 36)
29
MB BOARD
(9/9)
(Page 38)
30
*5
R1252
2.7k
(GPX77/GPX88)
3.3k (GPX33/GPX55)
R1386
0
(GPX33/GPX55)
330 (GPX77/GPX88)

Related product manuals