EasyManua.ls Logo

Sony HCD-GT22 - Technical Specifications Overview; Tape Deck and Tuner Specifications; General System Information and Precautions

Sony HCD-GT22
16 pages
Print Icon
To Next Page IconTo Next Page
To Next Page IconTo Next Page
To Previous Page IconTo Previous Page
To Previous Page IconTo Previous Page
Loading...
HCD-GT22/GT44/GT55
3131
HCD-GT22/GT44/GT55
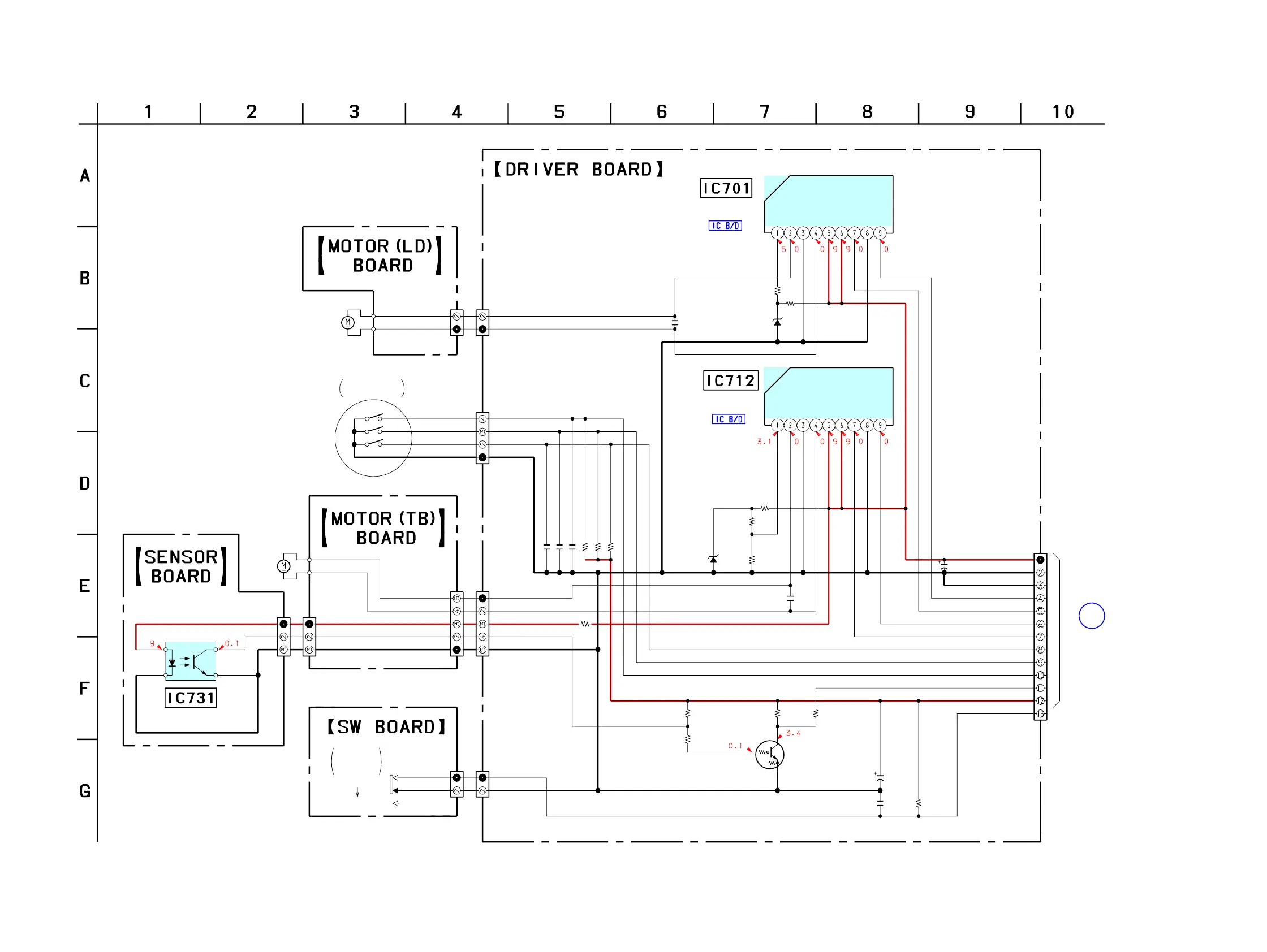
7-8. SCHEMATIC DIAGRAM – CHANGE Section –
See page 58 for IC Block Diagrams.
C741
R702 R701
D701
C751
R713
R712 R711
D711
CN721
R722
R721
R723
C736
C735
C737
R731
C731
R733
CN704
E3
E2
E1
CN703
CN742 CN702
CN741
IC731
CN751 CN705
C752 R751
CN731
Q731
M751
M741
IC701
IC712
R734 R732
CN701
C715
R736
S751
0.01
100 470
MTZJ-T-77
5.1A
0.01
22k
4.7k 1k
MTZJ-T-77
3.6B
2P
4.7k
4.7k
4.7k
0.1
0.1
0.1
100
10
50V
1k
2P
4P
5P 5P
3P
RPI-576
2P 2P
0.1 4.7k
3P
DTC114ESA
BA6956AN
BA6956AN
12k 10k
13P
100
16V
390
RNF RNF
TM-2
GND
TM-1
SENS-IN
SENS-OUT
GND
TM-1
TM-2
SENS-IN
SENS-OUT
GND
SENS-IN
SENS-OUT
GND
SENS-IN
SENS-OUT
GND GND
OPEN SW OPEN SW
LM-2
LM-1 LM-1
LM-2
GND
E-1
E-2
E-3
VCC
OUT2
GND
VREF
OUT1
VM
FIN
RIN
VCC
OUT2
GND
VREF
OUT1
VM
FIN
RIN
LM-R
TM-R
E-1
E-2
E-3
TBL ADDRESS SENS
OPEN SW
(LOADING)
ADDRESS DETECT
(TABLE)
OPEN
CLOSE
OPEN/CLOSE
DETECT
DRIVE
LOADING MOTOR
DRIVE
TABLE MOTOR
LEVEL
SHIFT
D+3.3V
M+9V
M-GND
M-GND
LM-F
TM-F
DISC TABLE
S711
DISC TABLE
DISC TABLE
ADDRESS SENSOR
ROTARY ENCODER
B
MAIN
BOARD
(3/4)
(Page 40)

Other manuals for Sony HCD-GT22

Related product manuals