EasyManua.ls Logo

Sony HCD-GTR6 - Printed Wiring Board - DRIVER Board

Sony HCD-GTR6
92 pages
Print Icon
To Next Page IconTo Next Page
To Next Page IconTo Next Page
To Previous Page IconTo Previous Page
To Previous Page IconTo Previous Page
Loading...
5858
HCD-GTR6/GTR6B/GTR7/GTR8/GTR8B
HCD-GTR6/GTR6B/GTR7/GTR8/GTR8B
12345678 91011 141512 13
A
B
C
D
E
F
G
H
I
J
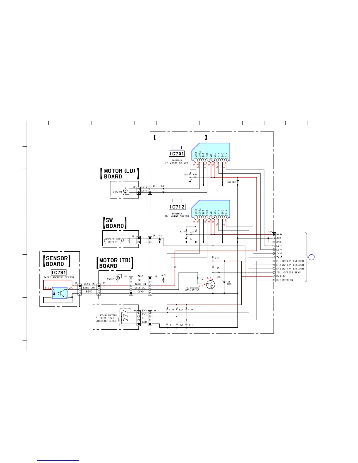
5-36. SCHEMATIC DIAGRAM — DRIVE BOARD — • Refer to page 22 for Block Diagrams. • Refer to page 59 for IC Block Diagrams.
MAIN
BOARD
(3/5)
CN110
(Page 42)
S
IC B/D
IC B/D
390
R751
C752CN705
CN704
CN721
CN751
C751
IC701
IC712
R701
R713
R711
R723 R721R722
C735C736C737
R736
R733
R731
C731
Q731
DTC114ESA-TP
C741
CN703
IC731
RPI-579N1
CN731 CN741
CN742
C715
R702
R712
R732
D711
D711
*2
D701
*1
*2
MTZJ-T-77-3.6B : MX
MTZJ-T-72-3.6B : EXCEPT MX
D701
DRIVER (F) BOARD
*1
MTZJ-T-77-5.1A : MX
MTZJ-T-72-5.1A : EXCEPT MX
M751
M741
S751
CN701
CN702
CN711
RE701

Table of Contents

Related product manuals