EasyManua.ls Logo

Sony HCD-GTR8 - Schematic Diagram - Display Board

Sony HCD-GTR8
92 pages
Print Icon
To Next Page IconTo Next Page
To Next Page IconTo Next Page
To Previous Page IconTo Previous Page
To Previous Page IconTo Previous Page
Loading...
31 31
HCD-GTR6/GTR6B/GTR7/GTR8/GTR8B
HCD-GTR6/GTR6B/GTR7/GTR8/GTR8B
12345678 91011 141512 13
A
B
C
D
E
F
G
H
I
J
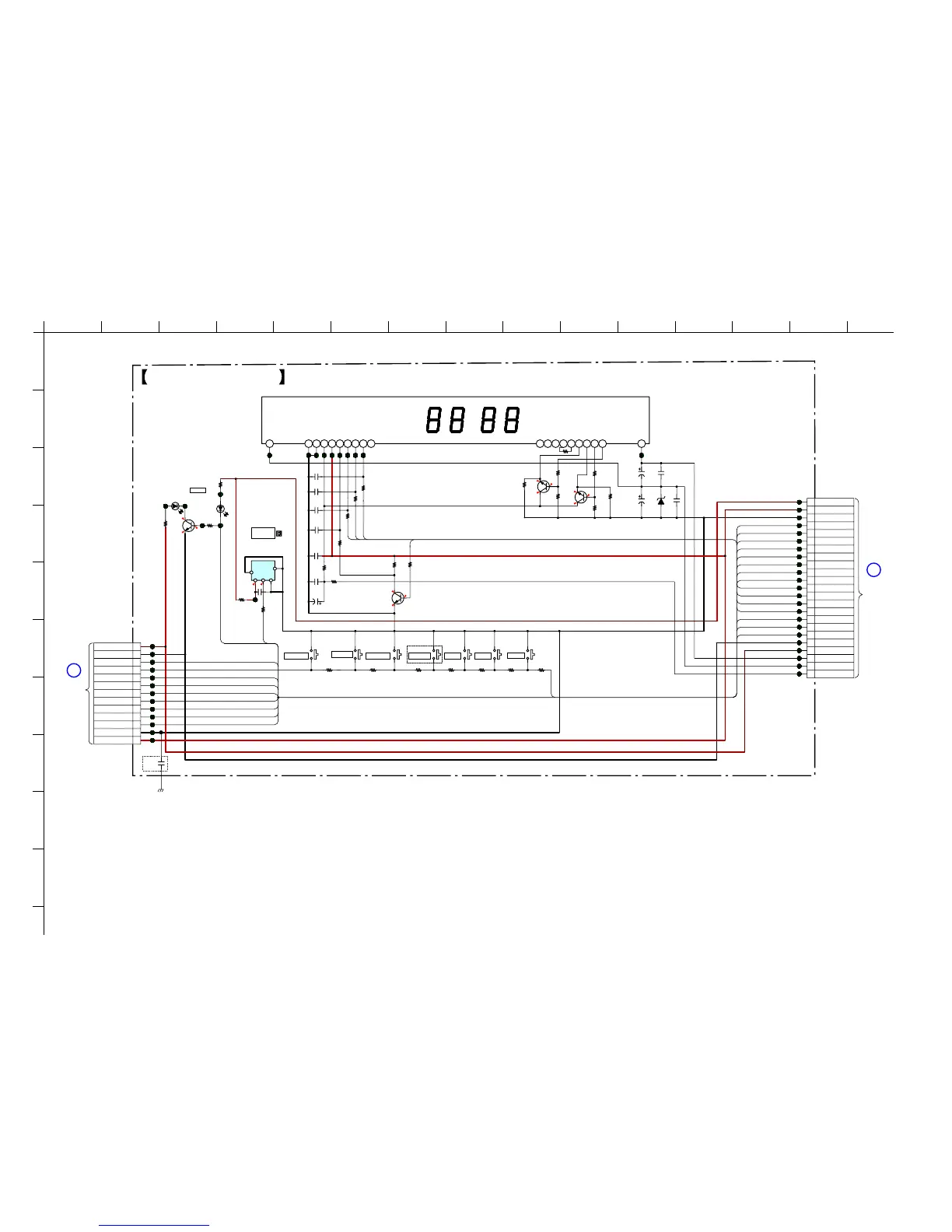
5-9. SCHEMATIC DIAGRAM — DISPLAY BOARD — • Refer to page 22 Block Diagrams.
0
3.3
3.3
0
2.7
8.6
3.1
0
1.7
1.4
1.7
0.8
0.5
0.8
A
J
STR
BOARD
NO904
(Page 48)
MAIN
BOARD
CN150
(1/5)
(Page 40)
(CH
ASSIS)
2SC3052EF-T1-LEF
LED SWITCH
Q900
470
R900
0.1
C903
0.1
C905
S900
1
2
S902
1
2
680
R910
470
R911
1
2
S903
1
2
S904
1
2
1k
R908
1k
R909
1.5k
R907
1.5k
R906
10V
220
C906
TP931
TP932
TP933
TP934
TP935
TP936
TP937
TP938
TP939
TP940
TP941
TP942
TP943
TP944
TP945
TP946
TP947
TP949
TP948
TP950
TP951
TP952
TP953
TP954
TP955
TP956
TP957
1
2
3
4
5
6
7
8
9
10
11
12
13
14
15
16
17
18
19
20
21
22
23
23P
CN902
VG
VF-
VF+
LED+9V
LED GND
SIRCS
LED_DRIVER_OE
STBY LED
CIG CLK
CIG DATA
CIGLATCH
CIG BK
LED DRIVER LATCH
LED DRIVER DATA
LED DRIVER CLK
MASTER VOL
OPERATION DIAL
AD-KEY2
AD-KEY0
AD-KEY1
D GND
D+3.3V
EVER+3.3V
TP995
TP996
TP997
TP998
3.3k
R924
S905
1
2
TP994
TP999
KDZTR2.7B
D902
TP980
TP981
TP982
TP983
TP984
2SC3052EF-T1-LEF
Q902
2SC3052EF-T1-LEF
SWITCH
SWITCH
Q903
100
R903
VCC
OUT
GND
NJL24H400B-SA
REMOTE CONTROL
SIGNAL RECEIVER
POWER
IC900
IC900
6.3V
100
C907
C911
100p
C913
100p
C912
100p
C910
100p
10
R905
10
R904
47k
R997
47k
R998
100
R925
100
R926
100k
R927
100k
R928
S906
1
2
100
R919
100
R920
100
R921
100R922
2.2k
R923
ND900
VACUUM FLUORESENT DISPLAY
1
VF-
6
LGND
7
PGND
8
VG
9
VDD
10
BK
11
LATCH
12
CLK
13
DATA
14 40 41 42 43 44 45 46 47 48 53
VF+
3.3k
R996
1k
R902
0.22
C901
TP987
D900
D900, D901
1k
R901
1k
R1149
0.1
C1125
D901
2SC3052EF-T1-LEF
LOW FREQUENCY AMP
Q901
1k
R1148
50V
220
C1056
0.1
C904
ADKEY2
ADKEY1
ADKEY0
ADKEY2
OP_DIAL
MASTER_VOL
CIG_DATA
CIG_CLK
CIG_LATCH
ADKEY1
ADKEY0
OP_DIAL
MASTER_VOL
LED_DRIVER_CLK
LED_DRIVER_DATA
LED_DRIVER_LATCH
LED_DRIVER_OE
CIG_BK
LED_DRIVER_CLK
LED_DRIVER_DATA
LED_DRIVER_LATCH
CIG_BK
CIG_LATCH
CIG_DATA
CIG_CLK
STBY_LED
LED_DRIVER_OE
SIRCS
STBY_LED
SIRCS
OPTIONS
REC TO TAPE
POWER
DISPLAY
REC TIMER
TP901
TP902
TP903
TP904
TP905
TP906
TP907
TP908
TP909
TP910
TP911
TP912
TP900
1
2
3
4
5
6
7
8
9
10
11
12
13
NO900
13P
LED+9V
LED GND
ADKEY1
ADKEY2
ADKEY0
OP_DIAL
MASTER_VOL
LED_DRIVER_CLK
LED_DRIVER_DATA
LED_DRIVER_LATCH
LED_DRIVER_OE
D GND
D+3.3V
ERASE (CD)
METER MODE
SLR-325MCT31
SLI-325URT31
S901
GTR6B/GTR8B
C1132
0.1
25V
(AUS)
DISPLAY BOARD

Table of Contents

Related product manuals