EasyManua.ls Logo

Sony HCD-GTR8 - Schematic Diagram - DMB19 Board (1;4)

Sony HCD-GTR8
92 pages
Print Icon
To Next Page IconTo Next Page
To Next Page IconTo Next Page
To Previous Page IconTo Previous Page
To Previous Page IconTo Previous Page
Loading...
33 33
HCD-GTR6/GTR6B/GTR7/GTR8/GTR8B
HCD-GTR6/GTR6B/GTR7/GTR8/GTR8B
12345678 91011 141512 13
A
B
C
D
E
F
G
H
I
J
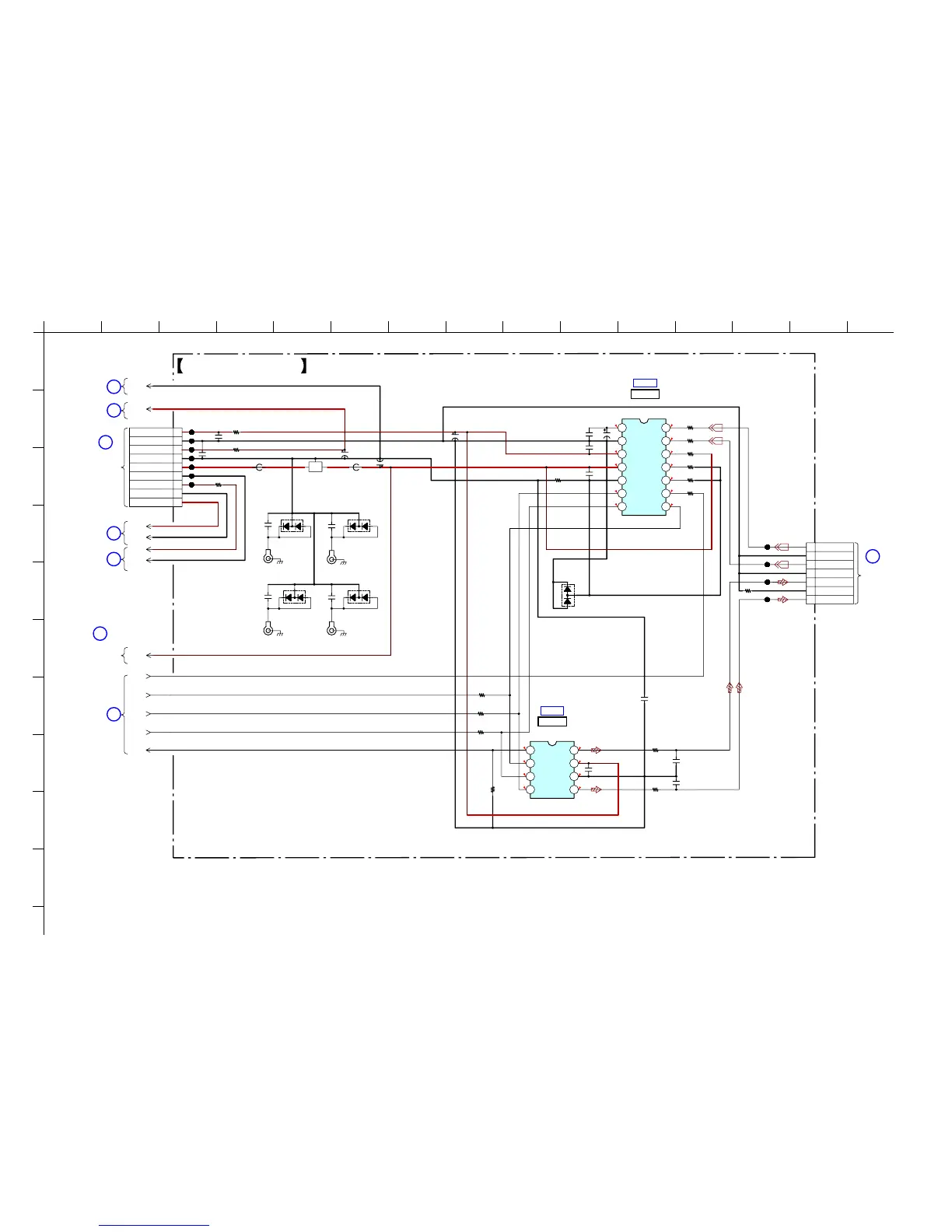
5-11. SCHEMATIC DIAGRAM — DMB19 BOARD (1/4) — • Refer to page 59 for IC Block Diagrams.
STEREO A/D CONVERTER
0.5
0.3
0.1
0.6
1.2
0
0
0
1.0
1.2
0.1
0.1
0
0
0.1
0.5
0.1
0
0.2
0
(CHASSIS)
(CHASSIS)
(CHASSIS)
(CHASSIS)
HUB
BOARD
CN1556
(Page 56)
MAIN
BOARD
CN090
(5/5)
(Page 44)
DMB 19
BOARD
(2/4),(4/4)
(Page 34,36)
DMB 19
BOARD
(2/4)
(Page 34)
DMB 19
BOARD
(4/4)
(Page 36)
DMB 19
BOARD
(3/4)
(Page 35)
N
DMB 19
BOARD
(2/4),(3/4),(4/4)
(Page 34,35,36)
15
16
DMB 19
BOARD
(2/4),(3/4),(4/4)
(Page 34,35,36)
4
O
1
2
3
DMB 19 BOARD
(1/4)
FB607
MTR_GND
DGND
VM9V
DVDD5V
DVDD3.3V
ADIN
C4608
10
16V
R4601
100
C4602
0.1
C4603
0.1
ABCK
ALRCK
ACLK
EMI
G
ASDATA0
0.47
C502
10k
R521
8
7
6
54
3
2
1
CS4335-KSZR
IC4602
SDATA
SCLK
LRCK
MCLK
AOUT-R
GND
VDD
AOUT-L
1
2
3
4
5
6
7
8
9
9P
CN601
AVDD5V
AGND
DVDD5V
DGND
DVDD3.3V
MGND
VM9V
USBGND
USB+5V
R4602
100
R4605
EMI(SMD)
R4606
22
14
13
12
11
10
9
87
6
5
4
3
2
1
PCM1808PWR
IC4601
VREF
AGND
VCC
VDD
DGND
SCKI
LRCK
BCK
DOUT
MD0
MD1
FMT
VINL
VINR
C4606
0.1
1
2
3
4
5
6
7
7P
CN4602
ROUT
AGND(AVDD)
LOUT
AGND
LIN
AGND
RIN
100p
C4623
100p
C4622
0
R4833
0
R4834
R4609 0
R4608 0
R4611 0
10V
100
C603
10V
100
C602
10V
100
C604
0.01
C4626
0
R605
0
R606
0
R608
C608
0.1
USB+5V
USBGND
D002
MC2840-T112-1
D001
MC2840-T112-1
C621
0.1
C620
0.1
C622
0.1
D003
MC2840-T112-1
D004
MC2840-T112-1
E
ET001
E
ET002
C623
0.1
E
E
ET003
ET004
MC2840-T112-1
D005
FB603
JL001
JL002
JL003
JL004
JL005
JL006
JL007
JL010
JL012
JL014
JL016
0
R4835
R630
0
R4837
0
R4838
0
D/A CONVERTER
IC4602
IC4601
C611
0.1
FL603
IC B/D
IC B/D

Table of Contents

Related product manuals