EasyManua.ls Logo

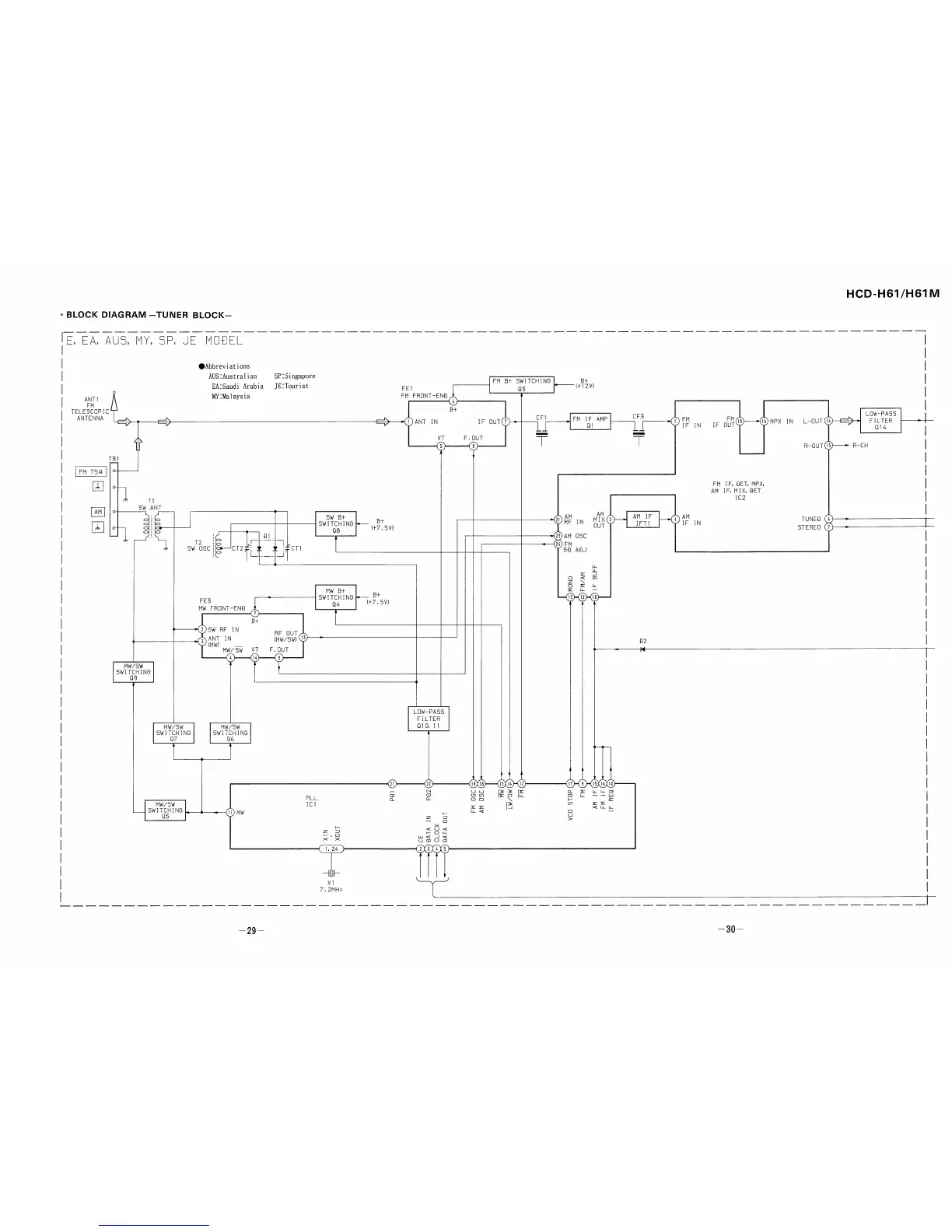
Sony HCD-H61 - Block Diagram - Tuner Block

Sony HCD-H61
101 pages
Print Icon
To Next Page IconTo Next Page
To Next Page IconTo Next Page
To Previous Page IconTo Previous Page
To Previous Page IconTo Previous Page
Loading...

Table of Contents