EasyManua.ls Logo

Sony HCD-RX100AV - CD Section Block Diagram

Sony HCD-RX100AV
88 pages
Print Icon
To Next Page IconTo Next Page
To Next Page IconTo Next Page
To Previous Page IconTo Previous Page
To Previous Page IconTo Previous Page
Loading...
— 25 —
— 26 —
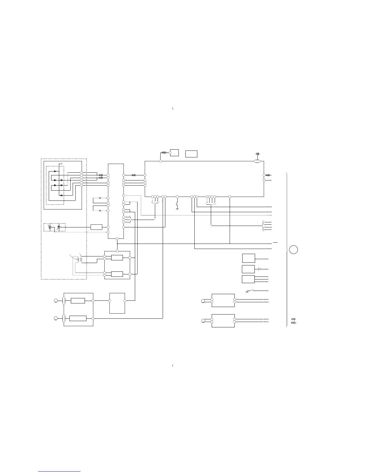
HCD-D90AV/GR10AV/RX100AV
— CD SECTION —
• R CH: Same as L ch
• SIGNAL PATH
: CD
: Digital out
OPTICAL PICK-UP BLOCK
DETECTOR
K
B+
A
D
C
B
E
F
A
D
C
B
1
4
2
5
10
6
38
39
41
42
2
1
45
47
LD DRIVE
Q101
36
37
LD
PD
XRST
FOK
23
27
FOCUS/TRACKING SERVO.
RF AMP
IC101 (1/2)
6
7
12
13
20
22
21
26
25
24
33
19
44
14
15
PD1
PD2
F
E
FEI
FEO
TEO
TEI
CLK
XLT
DATA
TA O
TA M
FE M
FE O
SENS2
SENS1
C.OUT
LOCK
RF O
27
23
15 16 17
10 11 12 75
8
79 100
93
86
89 • 90
X101
16.9344MHz
XTAI
XTAO
LOUT1
LOUT2
XRST
SCOR
SQSO
SQCK
SENS
DATA
XLAT
CLOK
DIGITAL SIGNAL PROCESSOR
IC103
RF
29
LOCK
CNIN
SEIN
DATAO
XLTO
CLKO
MDP
FOK
21
S101
LIMIT
SPOD
9
LASER
DIODE
TRACKING
COIL DRIVE
27
15
16
FOCUS/TRACKING
COIL DRIVE
IC102 (1/2)
FOCUS
COIL DRIVE
26
18
17
2-AXIS
DEVICE
TRACKING
COIL
FOCUS
COIL
T+
F+
T
F
SLED
SERVO
IC101 (2/2)
SLED/SPINDLE
MOTOR DRIVE
IC102 (2/2)
1416
6
SLED MOTOR
DRIVE
11
12
M
M102
SLED MOTOR
SPINDLE MOTOR
DRIVE
3
13
14
M
M101
SPINDLE
MOTOR
SL O
SL P
CD CLK
CD DATA
SENS2
SCOR
SQ DATA
SQ CLK
SENS
XRST
XLAT
09
L-CH
R-CH
C
MAIN
SECTION
MUTE
(Page 29)
M
TABLE
SENSOR
IC702
T. SENS
OPEN
S801
OPEN/CLOSE
DET
OUT1
IN1
IN2
OUT2
M
M701
TURN
MOTOR
TBL.L
TBL.R
TURN
MOTOR DRIVER
IC701
7
DISC
SENSOR
IC703
ROTARY
ENCODER
S811
Q701
DISC SENS
ENC 1
ENC 2
ENC 3
2
4
7
2
10
M801
SLIDE
MOTOR
OUT2
OUT1
RIN
FIN
SLIDE
MOTOR DRIVER
IC801
LOAD IN
LOAD OUT
3
6
CD DIGITAL
71
D.OUT
1
OUT
OPTICAL
IC841
DOUT

Table of Contents

Related product manuals