EasyManua.ls Logo

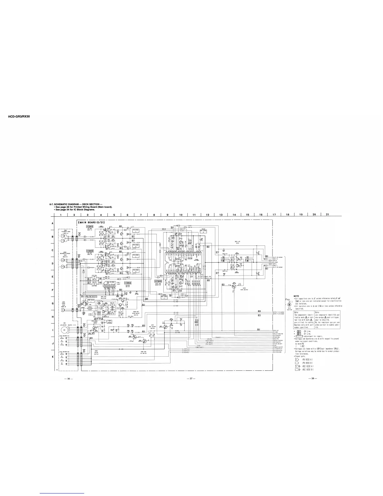
Sony HCD-RX30 - SCHEMATIC DIAGRAM - DECK SECTION

Sony HCD-RX30
59 pages
Print Icon
To Next Page IconTo Next Page
To Next Page IconTo Next Page
To Previous Page IconTo Previous Page
To Previous Page IconTo Previous Page
Loading...

Related product manuals