EasyManua.ls Logo

Sony HCD-VX555J - Block Diagrams

Sony HCD-VX555J
86 pages
Print Icon
To Next Page IconTo Next Page
To Next Page IconTo Next Page
To Previous Page IconTo Previous Page
To Previous Page IconTo Previous Page
Loading...
2424
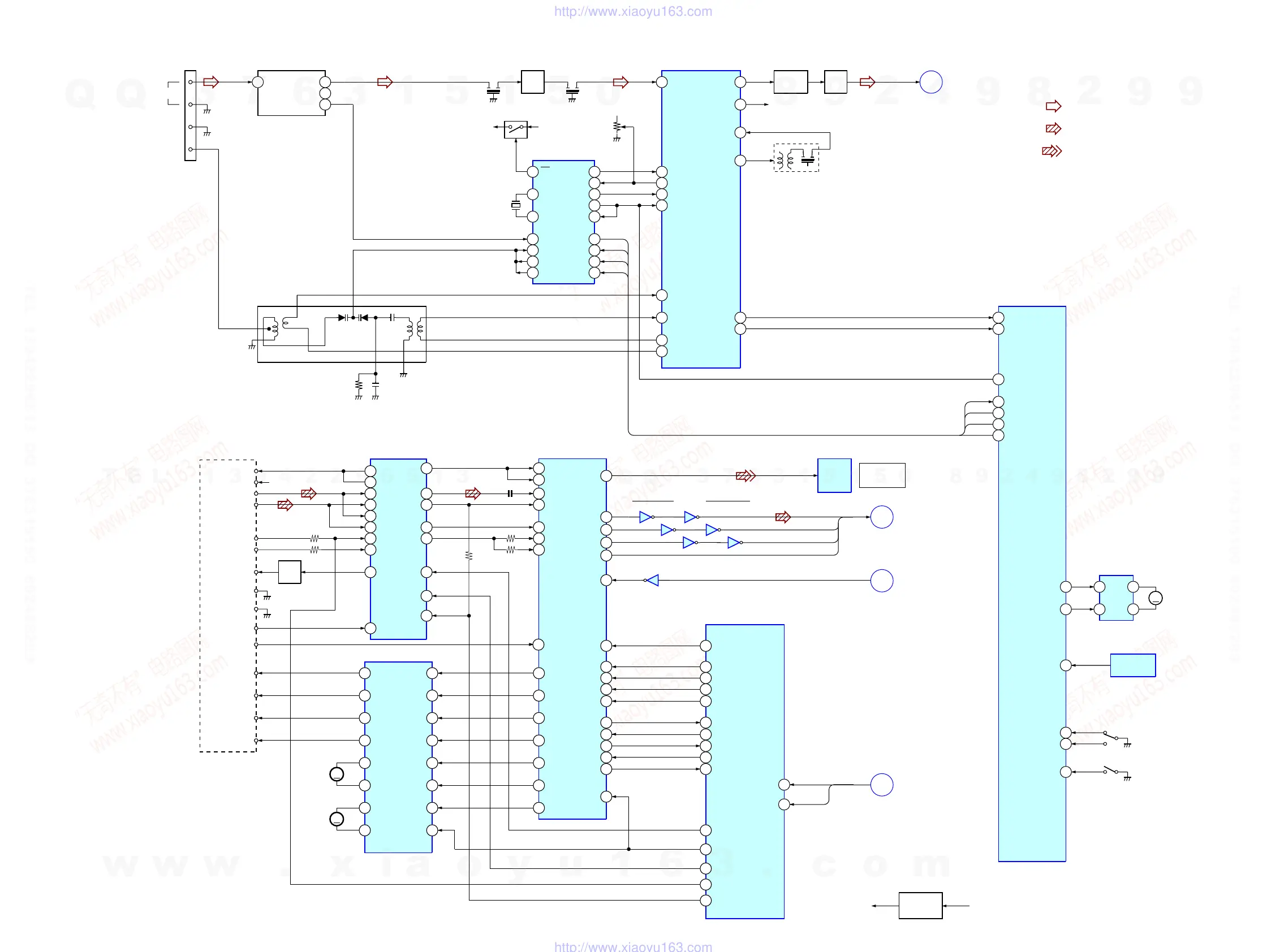
HCD-VX555/VX555J
6-2. BLOCK DIAGRAMS
TUNER/CD SECTION
A
MAIN
SECTION
(Page 25)
B
VIDEO
SECTION
(Page 26)
VIDEO
SECTION
(Page 26)
C
D
MAIN
SECTION
(Page 25)
IC501
IC106
: FM
: CD
• Signal Path
• R-CH is omitted due to same as L-CH.
: DIGITAL OUT
FM 75Ω
G
AM
TM1
ANT IN
1
7
IF OUT
8
OSC OUT
5
VT
FE1
+B A+12V
Q2
FM
10
FM OSC
16
A IN
19
A OUT
20
PD
18
PLL
IC51
7
FM
15
AM OSC
9
VCO STOP
8
IF REQ
6
DO
4
DI
5
CL
3
CE
XIN
1
XOUT
22
X51
4.5MHz
RF IF
AMP
Q1
CF1 CF2
DO
DI
CL
CE
2
1
11
9
3
10
7
8
RB41
2
AM MIX OUT
AM/IF
11
AM OSC
24
VCO STOP
12
IF REQ MUTING
10
AM RF IN
21
AM OSC
23
VCC
23
FM IF
1
AM/FM IF MPX
IC11
13
L OUT
14
R OUT
BUFFER
Q11
LPF11
LPF
4
AM IF IN
IFT11
R-CH
6
TUNED
7
STEREO
ST MUTING
21
ST CE
22
ST CLK
27
ST DOUT
23
ST DIN
25
STEREO
2
TUNED
3
MASTER CONTROL
IC501(1/2)
DO
CL
CE
DI
DI
OUT
CD
DIGITAL OUT
IC201
L-CH
TBL ADDRESS
SENSOR
49
T SENS
IC711
48
BU UP/DOWN SW
46
OPEN SW
47
CLOSE SW
44
LOAD IN
OPEN/CLOSE
S701
BU UP/
DOWN
S711
45LOAD OUT
MOTOR
DRIVE
9
7
4
2
M
IC701
TURN
MOTOR
M721
30
I2C.DATA
I2C-DATA
29
I2C.CLK
I2C-CLK
6
12
IF IN
RV11
+B
AFC
22
DIGITAL
OPTICAL
OPTICAL PICK-UP
BLOCK
(A-MAX.3)
PD1
PD2
I5-10
I1-6
LD
VC
SW
VCC
+5V
GND
LD GND
PD
LD
DRIVE
Q101
RF AMP
IC103
VC
27
VFC
25
A
6
B
7
C
8
D
9
E
10
F
11
LD
1
PD
2
IC102
MOTOR/COIL DRIVE
VO1(-)
52
VO1(+)
47
56
55
1
2
M
M102
SLED
MOTOR
5
10
M
M101
SPINDLE
MOTOR
F+
F-
T+
T-
35
IN1+
34
IN1-
32
31
27
26
24 MDP
25
SRDR
30
SFDR
29
TRDR
32
TFDR
31
FRDR
34
FFDR
33
DIGITAL SIGNAL PROC.
IC101
DIGITAL SERVO
64
D OUT
RFAC
50
VC
38
CE
42
28
RFDC
15
14
RFAC
16FE
18TE
12
SW
17
FEI
29
RFDCI
RFDC
43
FE
39
TE
41
SE
40
4
DATA
DATA
CD DATA
CD BCK
CD LRCK
C2PO
MCLK
6
CLOK
CLK
5
XLAT
XLT
76
SQSO
SQSO
7
SENS
SENS
26 SSTP
2
XRST
8
STBY
69
XTSL
CD MECHANISM CONTROLLER
IC502(1/2)
DSP DATA
95
8
SCLK
SCLK
15
SCOR
SCOR
DSP CLK
5
DSP LATCH
97
SUBQ DATA
84
SENSE
1
SENSE CLK
2
SCOR
18
CTRL1
CTRL1(1-2)
11
3
MUTING
MUTING
DSP MUTING
10
66
PCMD
67
BCLK
65
LRCK
14
C2PO
71
XTAI
77
SQCK
SQCK
SUBQ CLK
83
LD ON
LDON
82
DEVICE RESET
XRST
77
PWM1 (BD)
PWM1
28
PWM2 (BD)
PWM2
26
PWM3 (BD)
PWM3
24
VO2(-)
VO2(+)
VO3(+)
VO3(-)
VO4(+)
VO4(-)
IN2+
IN2-
IN3+
IN3-
IN4R
DVC
+3.3V
REG.
Q103,D101
+5V
+3.3V
1234
13 12 11
10
56 9
8
4
2
w
w
w
.
x
i
a
o
y
u
1
6
3
.
c
o
m
Q
Q
3
7
6
3
1
5
1
5
0
9
9
2
8
9
4
2
9
8
T
E
L
1
3
9
4
2
2
9
6
5
1
3
9
9
2
8
9
4
2
9
8
0
5
1
5
1
3
6
7
3
Q
Q
TEL 13942296513 QQ 376315150 892498299
TEL 13942296513 QQ 376315150 892498299
http://www.xiaoyu163.com
http://www.xiaoyu163.com

Table of Contents

Related product manuals