EasyManua.ls Logo

Sony HCD-W5000 - Power Section Diagrams

Sony HCD-W5000
88 pages
Print Icon
To Next Page IconTo Next Page
To Next Page IconTo Next Page
To Previous Page IconTo Previous Page
To Previous Page IconTo Previous Page
Loading...
HCD-DR4/DR5/DR6/DR440/W300/W5000/XB500
– 57 –
– 58 –
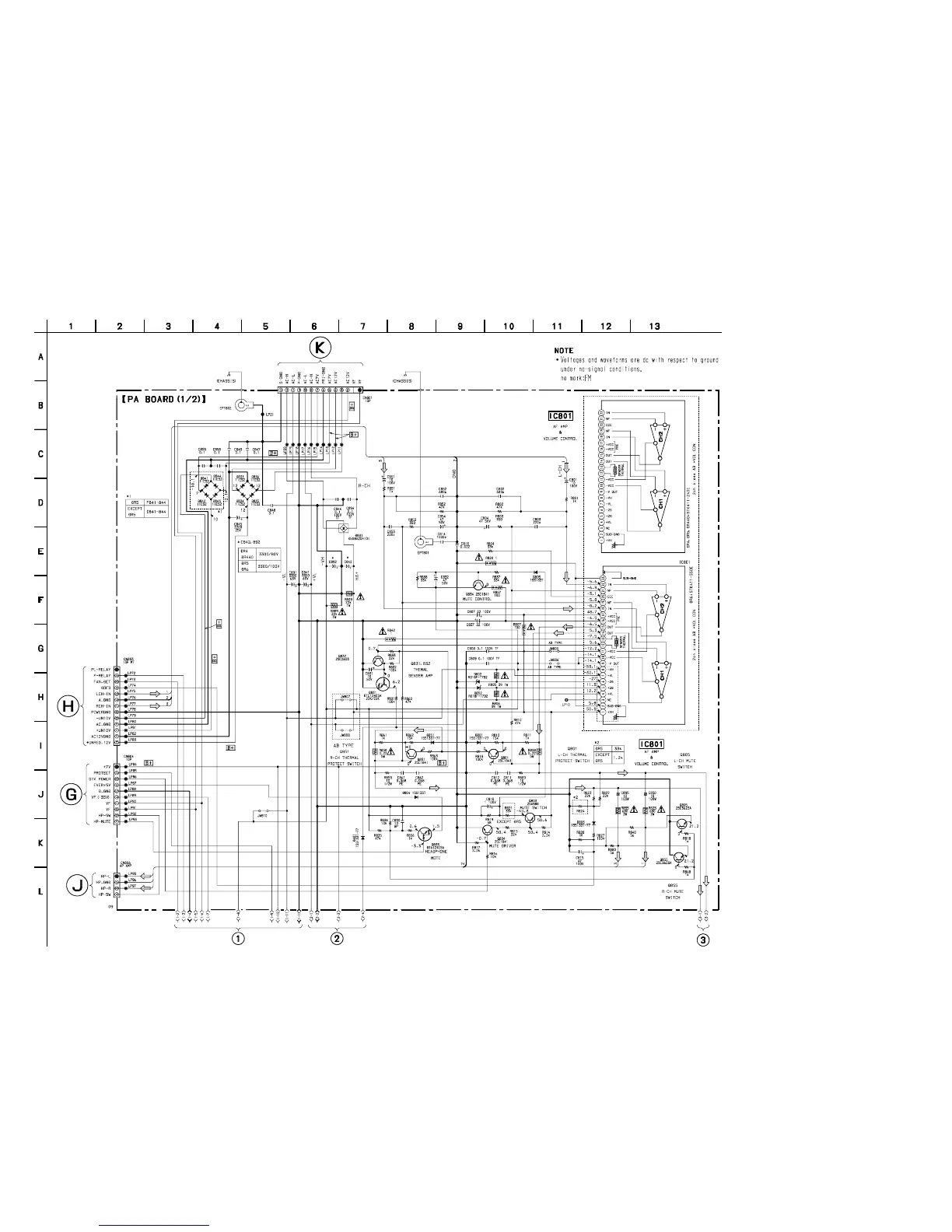
7-13. SCHEMATIC DIAGRAM – POWER (1/2) SECTION – (DR4, DR5, DR6, DR440 model)
• See page 61 for Printed Wiring Board.
(Page 97)
(Page 52)
(Page 52)
(Page 89)
(Page 59)
(Page 59) (Page 60)

Table of Contents

Related product manuals