EasyManua.ls Logo

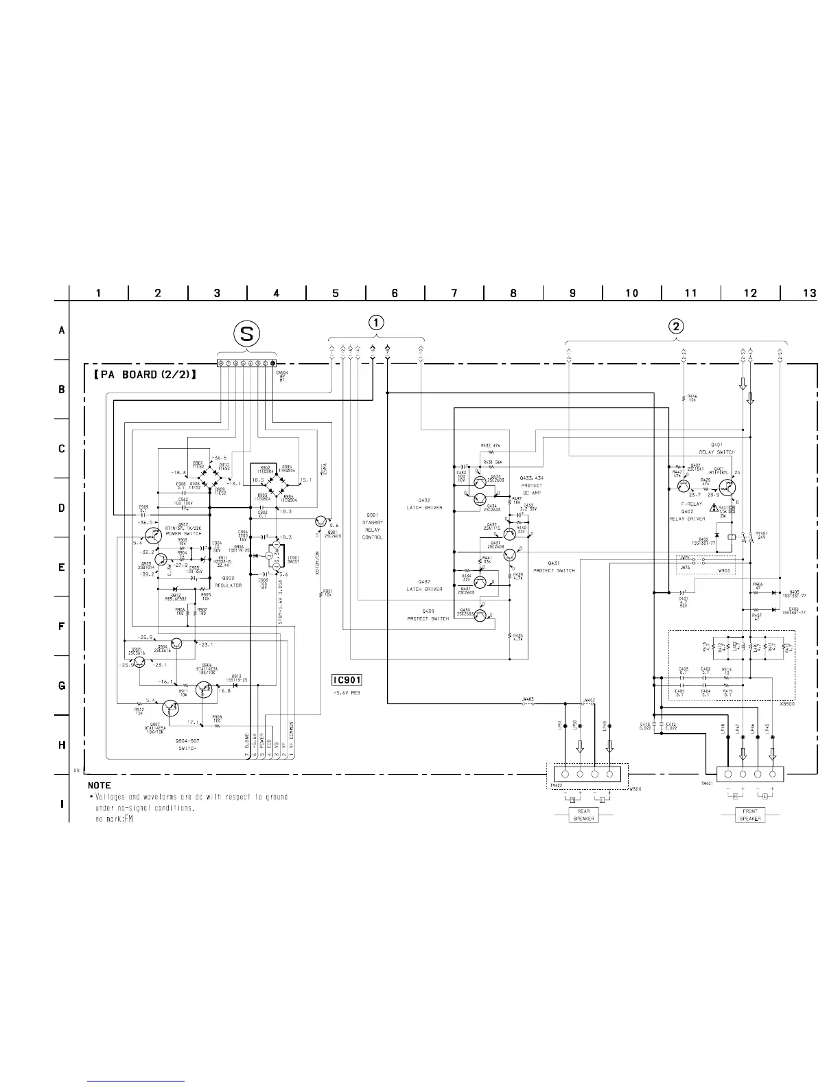
Sony HCD-W5000 - SCHEMATIC DIAGRAM - POWER (2;2) SECTION - (W300,W5000, XB500 Model)

Sony HCD-W5000
88 pages
Print Icon
To Next Page IconTo Next Page
To Next Page IconTo Next Page
To Previous Page IconTo Previous Page
To Previous Page IconTo Previous Page
Loading...
HCD-DR4/DR5/DR6/DR440/W300/W5000/XB500
– 67 – – 68 –
7-18. SCHEMATIC DIAGRAM – POWER (2/2) SECTION – (W300,W5000, XB500 model)
• See page 63 for Printed Wiring Board.
(Page 94)
(Page 65)
(Page 66)

Table of Contents

Related product manuals