EasyManua.ls Logo

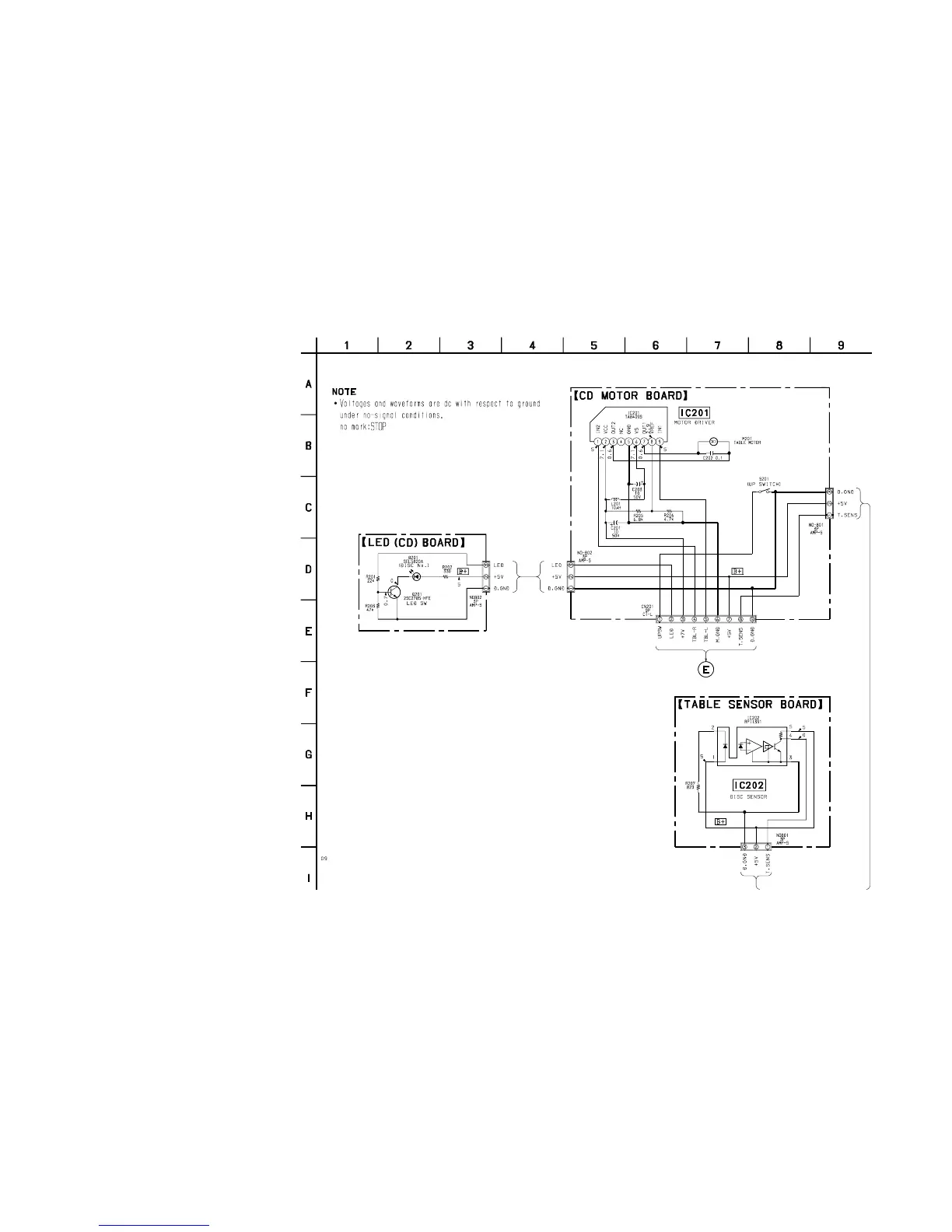
Sony HCD-W5000 - Schematic Diagram - CD Motor Section

Sony HCD-W5000
88 pages
Print Icon
To Next Page IconTo Next Page
To Next Page IconTo Next Page
To Previous Page IconTo Previous Page
To Previous Page IconTo Previous Page
Loading...
HCD-DR4/DR5/DR6/DR440/W300/W5000/XB500
– 85 –
– 86 –
7-27. SCHEMATIC DIAGRAM – CD MOTOR SECTION –
(Page 48)

Table of Contents

Related product manuals