EasyManua.ls Logo

Sony HCD-XB33 - Schematic Diagram - Main Section (5;5)

Sony HCD-XB33
88 pages
Print Icon
To Next Page IconTo Next Page
To Next Page IconTo Next Page
To Previous Page IconTo Previous Page
To Previous Page IconTo Previous Page
Loading...
HCD-D390/D790/G5500/XB33/XB44/XB50/XB60
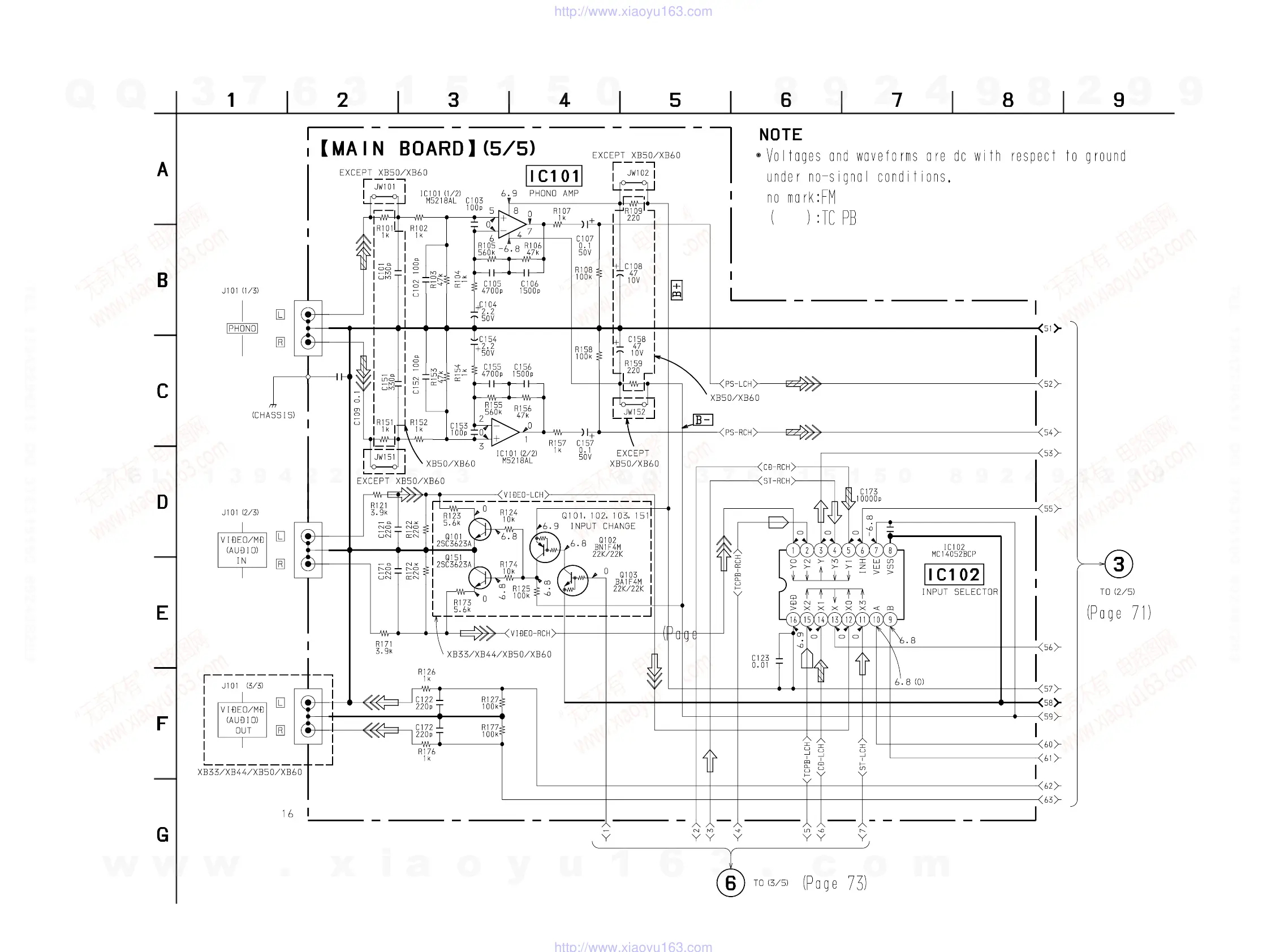
6-26. SCHEMATIC DIAGRAM – MAIN SECTION (5/5) – • See page 82 for IC Block Diagrams.
— 77 — — 78 —
w
w
w
.
x
i
a
o
y
u
1
6
3
.
c
o
m
Q
Q
3
7
6
3
1
5
1
5
0
9
9
2
8
9
4
2
9
8
T
E
L
1
3
9
4
2
2
9
6
5
1
3
9
9
2
8
9
4
2
9
8
0
5
1
5
1
3
6
7
3
Q
Q
TEL 13942296513 QQ 376315150 892498299
TEL 13942296513 QQ 376315150 892498299
http://www.xiaoyu163.com
http://www.xiaoyu163.com

Related product manuals