EasyManua.ls Logo

Sony HD-FLX9W - Schematic Diagram - RF Board

Sony HD-FLX9W
166 pages
Print Icon
To Next Page IconTo Next Page
To Next Page IconTo Next Page
To Previous Page IconTo Previous Page
To Previous Page IconTo Previous Page
Loading...
HCD-FLX9W
4545
HCD-FLX9W
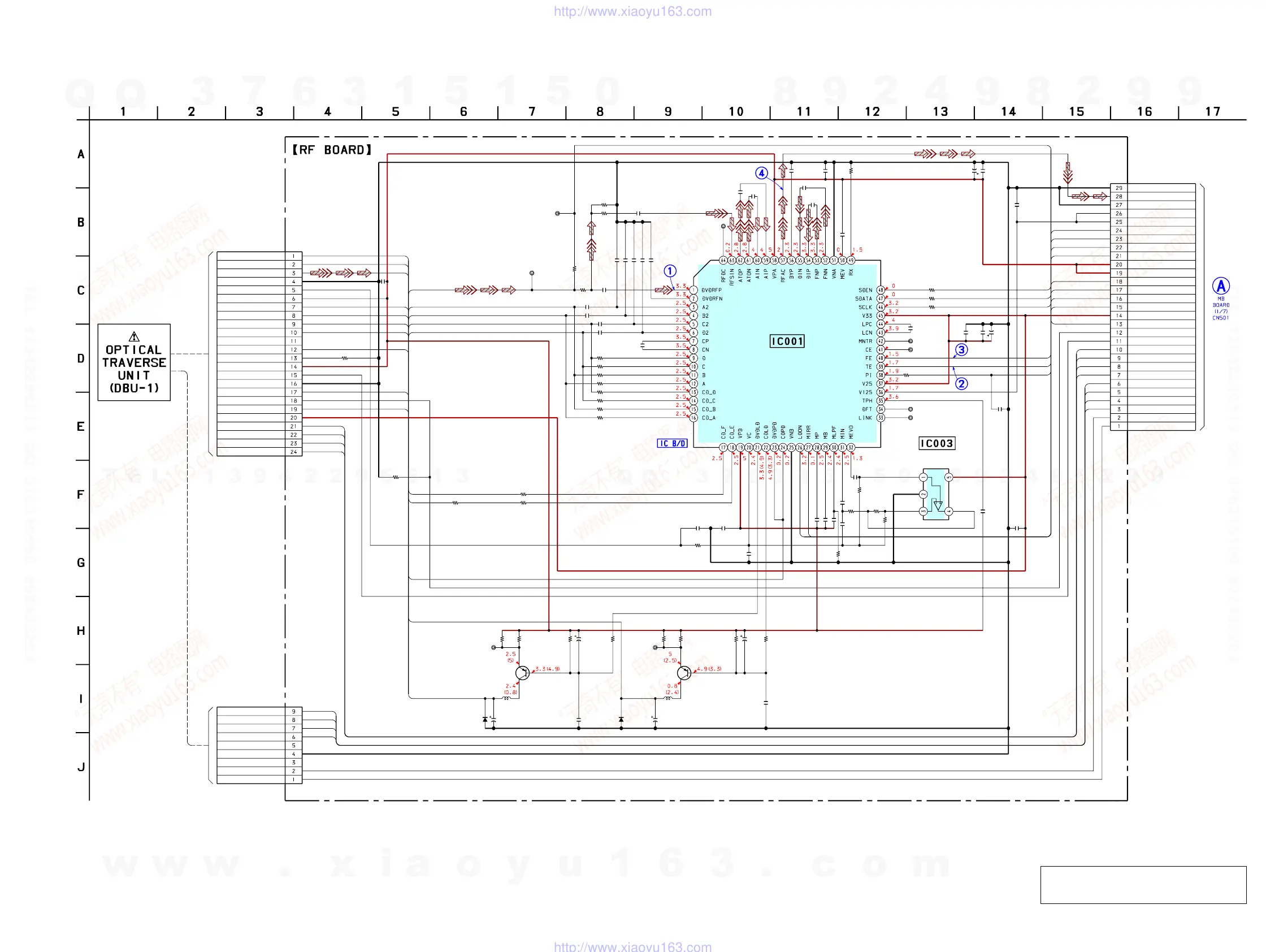
8-9. SCHEMATIC DIAGRAM – RF Board –
See page 92 for IC Block Diagram. See page 90 for Waveforms.
The components identified by mark 0 or dotted
line with mark 0 are critical for safety.
Replace only with part number specified.
JL005
C011
C039
C038
C040
JL007
C003
R010R008R007
IOP1
L002
C004D002
R006
C001
C010
R004R003
IOP2
L001
C002D001
R022
R025
R023
C016
C015
C014
R014
R013
R012
R011
R018
R017
R016
R015
C042
C020
C021
C022
C023
R024
R026C027C028
C029
C018
C024
C033 C012
C005
R029
R028
R027
JL002
JL001
C032
C034
C049
C009
C035
CN003
CN001
CN002
C025
C006
C013
R005 R009
R035
R019 R020
C041
R001
Q001 Q002
C008
R041
JL004
C030
C026
C019
C017
IC001
JL003
JL006
R031
C037
R021
C052
C051
C050
R034
C036
R033
R047
R046
IC003
R091
C031
1000p
0.033
0.033
0.1
100
6.3V
4703333
10
16V
1SS355TE
-17
470
100
6.3V
1000p
3333
10
16V
1SS355TE
-17
220
100
820
2200p
2200p
2200p
0
0
0
0
0
0
0
0
180p
22p
22p
22p
22p
0
12k0.10.1
0.01
5600p
0.01
0.1 0.1
22
10V
0
0
0
0.047
0.1
0.1
0.1
0.1
9P
24P
29P
0.1
22
10V
0.1
47k 47k
0
00
0.1
100
2SB1132-T100-QR 2SB1132-T100-QR
0.1
1k
0.01
0.1
5600p
2200p
SP3723CAF0PM
100
680p
0
0.1
0.47
3300p
470
0.47
100k
33k
10k
TL343IDBVR
560k
1000p
MIRR
RFP
CD_LD
DVD_LD
SDEN
DATA_RF
CLK_RF
SDEN
DATA_RF
CLK_RF
LDON
A
B
C
D
E
F
TE
FE
TE
FE
PD
RFMON
RFMON
B
A
F
D
C
RFP
E
CD_LD
DVD_LD
PD FD-
FD+
TD-
TD+
FD+
FD-
TD+
TD-
SLB-
SLB+
SLA-
SLA+
PI/CE
PI/CE
L
D
O
N
M
IR
R
SLA+
SLB+
SLB-
SLA-
B
A
F
RF
GND
VC
VCC
C
D
E
PD
VR
SW
LD GND
DVD LD
CD LD
N.C
FCS+
FCS-
TRK+
TRK-
AGND
RFAC
AGND
AVC
AVC
MIRR
TE
FE
A5V
A5V
SDEN
DATA_RF
CLK_RF
LDON
A3V
RFMON
INLIM
LDSEL
VCC
SPDL+
SPDL-
SLEDA+
SLEDA-
SLEDB+
SLEDB-
TD+
TD-
FD+
FD-
SLEDA+
SLEDB+
SLEDA-
SLEDB-
LED
GND
INLIM
SPDL-
SPDL+
INLIM
INLIM_3V
{LIMIT-SW(A)}
{LIMIT-SW(B)}
{LIMIT-SW(B)}
PI
FOCUS/TRACKING ERROR AMP
CD/DVD/SACD RF AMP,
AUTOMATIC POWER
CONTROL
(FOR DVD)
AUTOMATIC POWER
CONTROL
(FOR CD)
VCC
VEE
AMP
47µH
47µH
(Page 48)
w
w
w
.
x
i
a
o
y
u
1
6
3
.
c
o
m
Q
Q
3
7
6
3
1
5
1
5
0
9
9
2
8
9
4
2
9
8
T
E
L
1
3
9
4
2
2
9
6
5
1
3
9
9
2
8
9
4
2
9
8
0
5
1
5
1
3
6
7
3
Q
Q
TEL 13942296513 QQ 376315150 892498299
TEL 13942296513 QQ 376315150 892498299
http://www.xiaoyu163.com
http://www.xiaoyu163.com

Table of Contents