EasyManua.ls Logo

Sony HDC1400 - Page 27

Sony HDC1400
550 pages
Print Icon
To Next Page IconTo Next Page
To Next Page IconTo Next Page
To Previous Page IconTo Previous Page
To Previous Page IconTo Previous Page
Loading...
1-19
HDC1000/V2 (J, E)
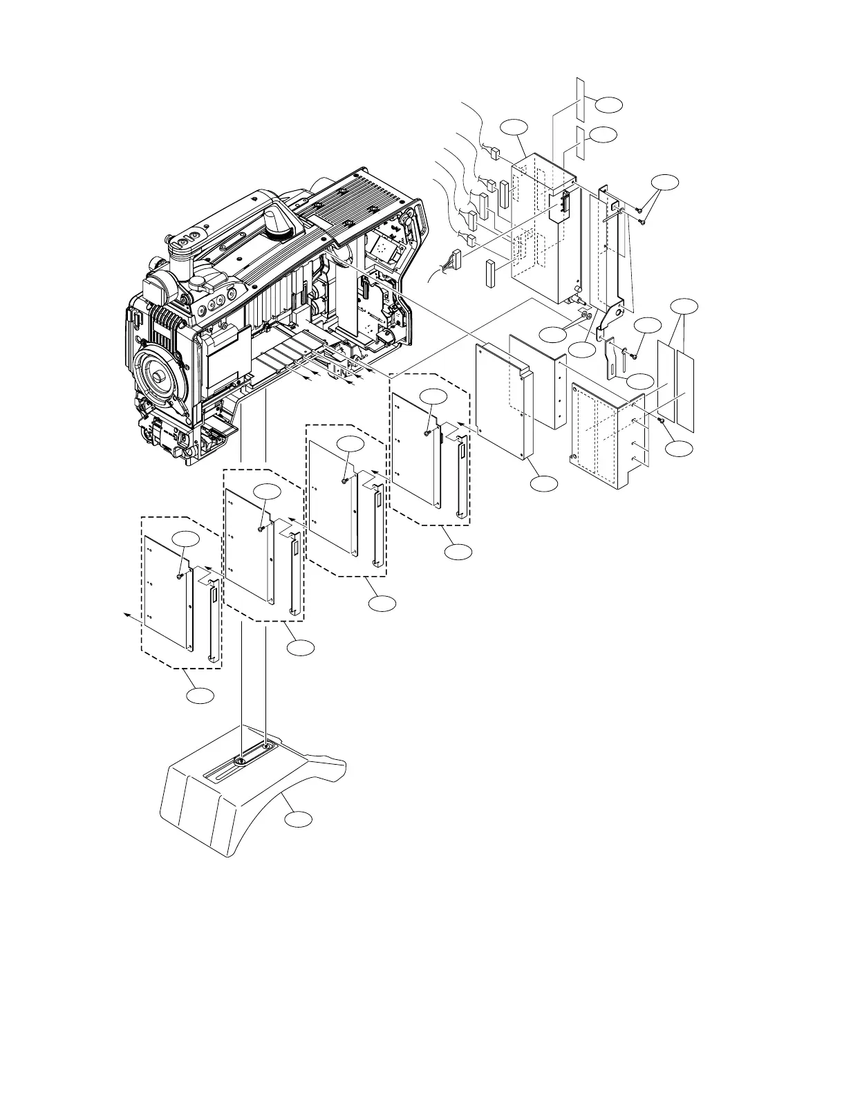
Board Block (HDC1400/1500/1580/1600)
No. Part No. SP Description
1101
!
A-1101-923-A s MOUNTED CIRCUIT BOARD, VDA-63
1102
!
A-1101-924-A s MOUNTED CIRCUIT BOARD, AU-298
1103
!
A-1101-925-A s MOUNTED CIRCUIT BOARD, DAP-33
1104
!
A-1101-926-A s MOUNTED CIRCUIT BOARD, AT-163
1105 A-8286-163-A s PAD ASSY,SHOULDER
1106
!
1-468-862-11 s REGULATOR, SWITCHING
1107
!
1-478-790-11 s CONVERTER UNIT, DC-DC
1108 3-364-941-01 s SCREW (+B) (2.6X5),NYLOK
1109 3-872-590-01 s PORONSHEET(POWER)
1110 3-872-620-01 s THERMATTACH TAPE(DD)
1111 3-872-621-01 s THERMATTACH TAPE(AC/DC)
1112 4-654-273-02 s ACE (M2), LOCK
1113 3-986-535-03 s BAND,HANGING(REAR)
1114 3-986-640-01 s SHEET,HEAT TRANS(DENGEN UPPER)
1115 3-986-641-01 s SHEET,HEAT TRANS(DENGEN LOWER)
*1
*1
*2
*3
*4
*5
*2
*3
*4
*5
To MB-1059(CN15)
To DC IN
To MB-1059(CN14)
To CN-2621(CN8)
To OUTSIDE
PANEL BLOCK
To
HOT SHOE BLOCK
1106
1114
1115
1111
1112
1104
1112
1112
1112
1112
1107
1102
1105
1103
1101
1108
1113
1108
1109
1110

Table of Contents

Related product manuals