EasyManua.ls Logo

Sony HDC1600 - VDA-63

Sony HDC1600
550 pages
Print Icon
To Next Page IconTo Next Page
To Next Page IconTo Next Page
To Previous Page IconTo Previous Page
To Previous Page IconTo Previous Page
Loading...
3-12
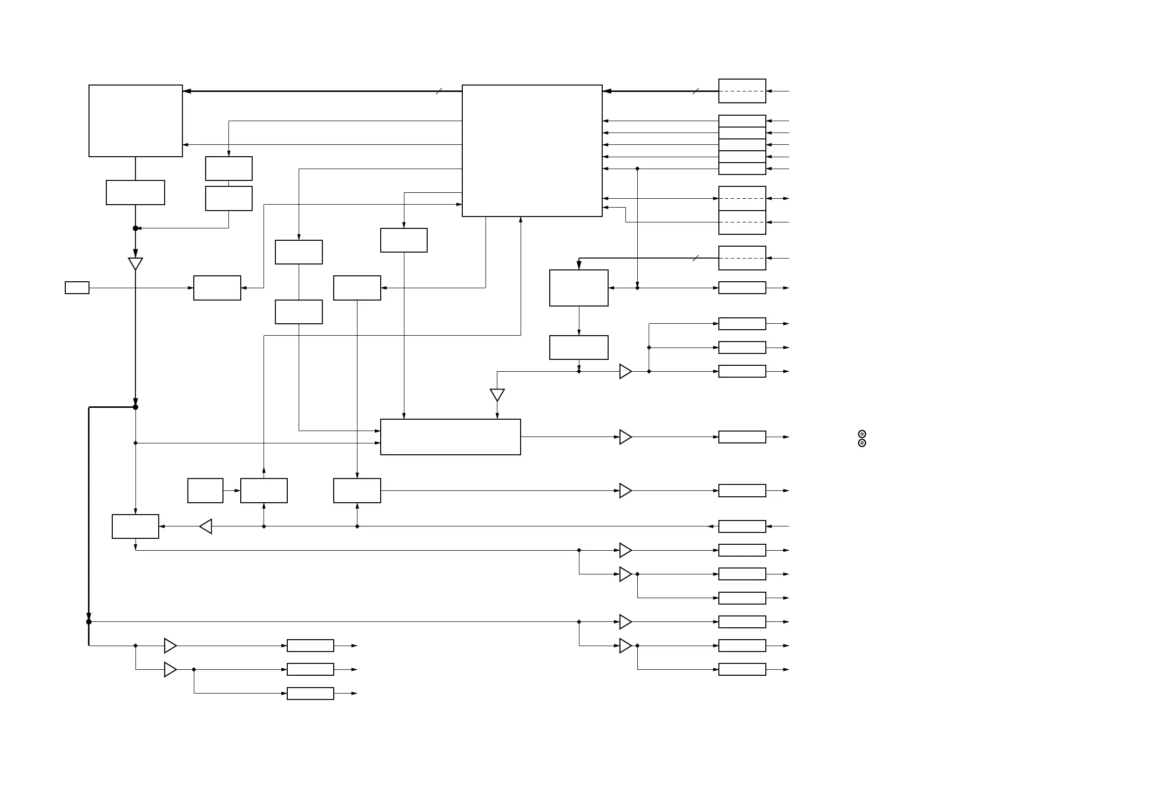
HDC1000/V2 (J, E)
3-12
VDA-63VDA-63
VDA-63
101-145
101-183
101-185,187
101-195
101-143
101-137
101-109
101-88
101-74
101-108
101-116
101-135
101-113
101-164
VF-Y,C
VF-SYNC (0)(1)
74CK-IN
VF-F(VDA)IN
SD-SYNC
27CK-IN
74M
VDA-F
27M
CPU-BUS(0-7)
ADDR(0-4)IN
PLD
IC110
20
D/A
27M 27CK-OP-OUT
IC312 12
VBS-IN
101-56
101-52
101-60
LPF
FL300
IC316
MONI-OUT
VBS-OUT
CAPTION-OUT
DPR,101-154...
DPR,101-175,176
DPR,101-124
DPR,101-151
DPR,101-152
DPR,101-124
AT-163,101-74...
AT-163,101-73...
DPR,101-125...
MB-1059/1060,101-195
CN-2622,2-8(HDC1500/1600/1550/1580/1400/1450)
CN-2605,2-8(HDC1000/1100)
MB-1059,5-1(HDC1500/1600/1550/1580/1400/1450)
MB-1060,1-1(HDC1000/1100)
MB-1059,101-59(HDC1500/1600/1550/1580/1400/1450)
MB-1060,NC(HDC1000/1100)
Y,Pb,Pr
VF-SYNC(0),(1)
74M
HD-SYNC(0),(1)
SD-SYNC
4:2:2
D/A
IC111-113
BUFF
VF-SYNC
LPF
IC102,
104
IC100
IC309
BUFF
ROM
CONFIG
IC109
LPF
FL100-102
8P
CN100
EPR
HD-Y
HD-Pb
HD-Pr
LPF
HD-SYNC
BUFF
IC106
PEPE-CLP
SD-SYNC-CLP
SD-SYNC
LPF
IC306
IC315
SELECTOR
IC317
Q312-323
SD-SYNC
HD-SYNC
GEN-LOCK
DRIVER
IC320
IC308
SYNC-SEP
TEMP
IC303
304,305
IC324-326
REF
SEL
IC302
SD/HD
101-44
ANALOG-OUT
101-101,103
REF-H,F
101-47
EXT-REF-IN
SELECTOR
Q304
-311
IC310
HD-Y
IC318
101-7
101-11
VF-Y-OUT
IC319
101-15
101-19
BUILT-UP-Y-OUT
CRANE-Y-OUT
IC321
VF-Pb-OUT
101-23
101-27
IC323
BUILT-UP-Pb-OUT
CRANE-Pb-OUT
HD-Pb
HD-Pr
IC322
IC327
101-31
VF-Pr-OUT
BUILT-UP-Pr-OUT
CRANE-Pr-OUT
101-35
101-39
CN-2614,1-15(HDC1500/1600/1550/1580/1400/1450)
MB-1060,14-3(HDC1000/1100)
MB-1059,17-5(HDC1500/1600/1550/1580/1400/1450)
MB-1060,NC(HDC1000/1100)
CN-2619,5-1(HDC1500/1600/1550/1580/1400/1450)
MB-1060,14-12(HDC1000/1100)
MB-1060,29-1
CN-2620,2-1
TEST(HDC1000/1100)
CN-2619,1-39(HDC1500/1600/1550/1580/1400/1450)
MB-1060,NC(HDC1000/1100)
DPR,101-140,142
CN-2614,1-12(HDC1500/1600/1550/1580/1400/1450)
MB-1060,14-1(HDC1000/1100)
MB-1060,NC(HDC1000/1100)
MB-1059,17-1(HDC1500/1600/1550/1580/1400/1450)
CN-2604,3-9(HDC1000/1100)
CN-2619,5-9(HDC1500/1600/1550/1580/1400/1450)
MB-1060,14-5(HDC1000/1100)
CN-2614,1-14(HDC1500/1600/1550/1580/1400/1450)
MB-1060,NC(HDC1000/1100)
MB-1059,17-3(HDC1500/1600/1550/1580/1400/1450)
CN-2604,3-2(HDC1000/1100)
CN-2619,5-2(HDC1500/1600/1550/1580/1400/1450)
30
IC114-116
TEMP-H
TEMP-F
VBS
ANALOG OUT(HDC1500/1600/1550/1580/1400/1450)

Table of Contents

Related product manuals