EasyManua.ls Logo

Sony ICF-6800W - Block Diagram Overview

Sony ICF-6800W
60 pages
Print Icon
To Next Page IconTo Next Page
To Next Page IconTo Next Page
To Previous Page IconTo Previous Page
To Previous Page IconTo Previous Page
Loading...
ICF-6800W
_ICF-6800W
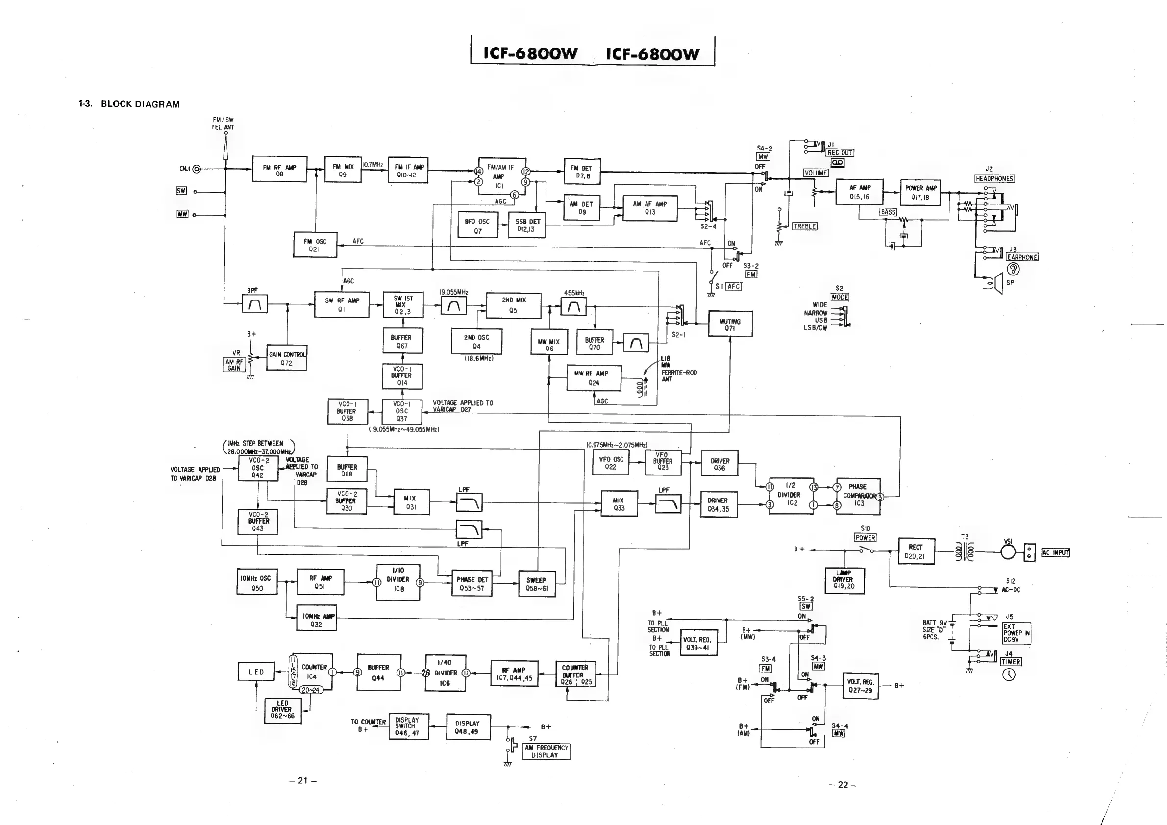
BLOCK
DIAGRAM
FM/SW
TEL
ANT
©
Jt
|
fw
ea
REC
OUT
[a0]
Mite
FM/AM
IF
OFF
We
\
FM
RF
AMP
FM
MIX
FM
IF
AMP
TANS
99
Qio~12
5
AMP
|
VOLUME
HEADPHONES
°
IC}
ON
AF
AMP
POWER
AMP
ov
Blea
|
tes
ase
[7]
ame
[TD
ey
AM
AF
AMP
a
DM
to
=
of
“aor
BFO
OSC
SSB
DET
$2-4
TREBLE
=
012,13
Q7
,
FM
OSC
AFC
AFC
0
,
0
J3
J
olen
OFF
$3-2
@
AGC
oe
Sit
[AFC]
S2
BPF
19.055MHz
455kH2
ne
+e
Hah
fn
a
IN
Q!
02,3
LN
AN
|
NARROW
—>
MUTING
USB
>
BUFFER
2ND
OSC
52-1
067
04
B+
VRI
GAIN
CONTRO
18.6MHz)
GAIN
vCO-|
Lis
MW
BUFFER
MW
RF
AMP
ri
a
Q14
024
:
WeO=I
VOLTAGE
APPLIED
TO
wee
Osc
VARICAP_
027
038
037
(19.055MHz~49,055MHz)
ci
STEP
BETWEEN
(0.975MH2~2.075MHz)
28.0
:
OOMH2
-
37,000
vc0-2
VoLTage
3
ee
yes
osc
APP
UFFER
VOLTAGE
APPLIED
4e
WARCAP
O68
TO
VARICAP
028
D
vCO-2
Nix
_
‘iy
BUFFER
a
Q30
Q31
al
Q33
VCO-2
BUFFER
is
Fat
1OMHz
OSC
RF
AMP
PHASE
DET
SWEEP
050
O51
053~57
058~61
1OMHz
AMP
032
4
TIMER
COUNTER
BUFFER
®
Q26
|
025
Fy
AM
FREQUENCY
i
DISPLAY
—21-
:
599°

Other manuals for Sony ICF-6800W

Related product manuals