EasyManua.ls Logo

Sony KDF-E42A10 - Using the Settings; Overview

Sony KDF-E42A10
100 pages
Print Icon
To Next Page IconTo Next Page
To Next Page IconTo Next Page
To Previous Page IconTo Previous Page
To Previous Page IconTo Previous Page
Loading...
Connecting the TV
34
KDF-E42A10/KDF-E50A10
2-597-544-12(1)
D:\WINNT\Profiles\noriko\Desktop\Troy EN2\2597544121\01US04INS.fm
masterpage:3 columns Right
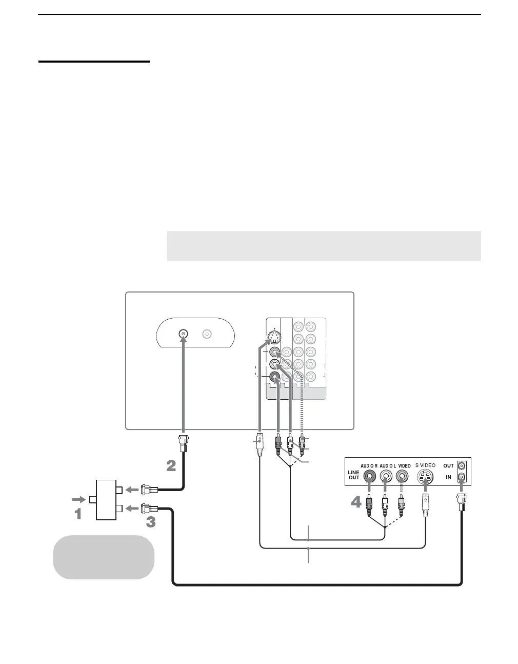
VCR and Cable Use this hookup if:
You have cable TV that does not require a cable box.
Disconnect all power sources before making any connections.
1 Connect the CATV cable to the single (input) jack of the splitter.
2 Use a coaxial cable to connect one of the output jack of the splitter to
the TV’s CABLE jack.
3 Use a coaxial cable to connect the splitter's other output jack to the
VCR’s input jack.
4 Use A/V and S VIDEO cables to connect the VCR’s AUDIO and
S VIDEO OUT jacks to the TV’s AUDIO and S VIDEO IN jacks.
If your VCR is not equipped with S VIDEO, use a VIDEO cable
(yellow) instead of the S VIDEO cable.
CABLE
VHF/UHF
L
R
Y
P
B/CB
PR/CR
L
R
(MONO)
AUDIO
VIDEO IN
HD / DVD IN
(1080i/720p/480p/480i)
AUDIO
VIDEO
S VIDEO
1345
Coaxial cable
Rear of TV
VIDEO
VCR
A/V cable
S VIDEO
S VIDEO cable
Cables are often
color-coded to connectors.
Connect red to red,
white to white, etc.
Coaxial
cable
CATV
cable
Splitter
AUDIO-R
AUDIO-L

Table of Contents

Other manuals for Sony KDF-E42A10

Related product manuals