EasyManua.ls Logo

Sony KDF-E42A10 - Page 36

Sony KDF-E42A10
100 pages
Print Icon
To Next Page IconTo Next Page
To Next Page IconTo Next Page
To Previous Page IconTo Previous Page
To Previous Page IconTo Previous Page
Loading...
Connecting the TV
36
KDF-E42A10/KDF-E50A10
2-597-544-12(1)
D:\WINNT\Profiles\noriko\Desktop\Troy EN2\2597544121\01US04INS.fm
masterpage:3 columns Right
VHF/UHF
CABLE
L
R
Y
P
B/CB
PR/CR
L
R
(MONO)
AUDIO
VIDEO IN
HD / DVD IN
(1080i/720p/480p/480i)
AUDIO
VIDEO
S VIDEO
1345
6
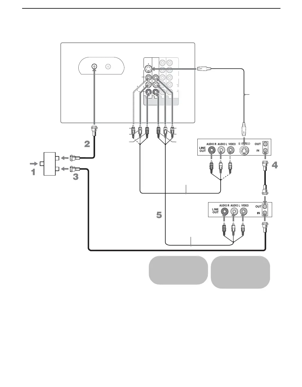
Cable box
Rear of TV
A/V cable
Cables are often
color-coded to
connectors. Connect red
to red,
white to white, etc.
If you are connecting a
digital cable box, you will
need a special bi-
directional splitter
designed to work with your
cable box.
A/V cable
S VIDEO
cable
CATV
cable
VIDEO
AUDIO-L
AUDIO-R
VCR
Splitter
Coaxial
cable
VIDEO
AUDIO-L
AUDIO-R
Coaxial
cable
Coaxial cable

Table of Contents

Other manuals for Sony KDF-E42A10

Related product manuals