EasyManua.ls Logo

Sony KDL-40D340 - Page 76

Sony KDL-40D340
136 pages
Print Icon
To Next Page IconTo Next Page
To Next Page IconTo Next Page
To Previous Page IconTo Previous Page
To Previous Page IconTo Previous Page
Loading...
- 84 -
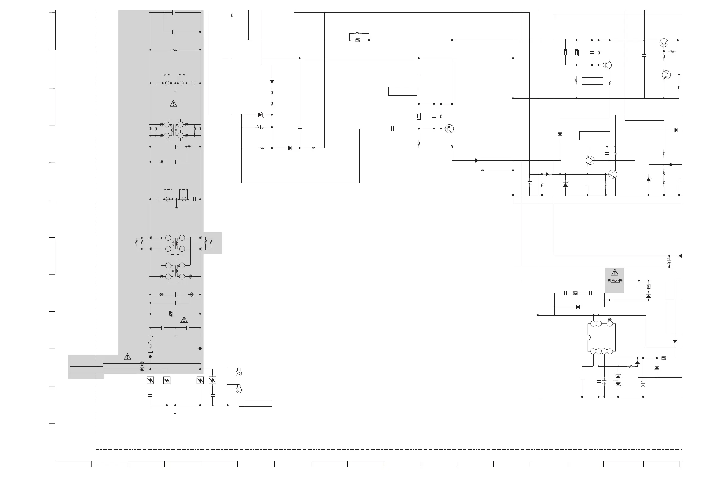
~ G3 Board Schematic Diagram [ Power Supply ] Page 1C/1 ~
11
22
Q
O
P
ABCDEF GH JIKLMN
12
13
14
15
16
17
18
19
20
21
EY6202
EY6001
CA6003
4.0mm
1
GND_2
1/10W
RN-CP
10k
R6310
5%
250V
6.3A
F6000
D6202
XX
1/10W
RN-CP
10k
R6309
5%
EY6200
1/10W
RN-CP
0.5%
220k
R6302
CA6000
4.0mm
10ERB
D62
1W
RS
100k
R6202
CA6001
6.2mm
50V
C6519
10
1/10W
RN-CP
R6300
5%
15k
JL6000
CA6002
6.2mm
1/4W
FPRD
2.2
R6203
EY6201
1/10W
RN-CP
4.7k
R6311
0.5%
JL6001
10ERB20-TB3
D6203
87 5
4321
MIP2H2
IC6200
VDD
FB
OLP
VCC DRAIN
SOURCE
SOURCE
1
CN6002
ƒtƒ@ƒXƒgƒ“
50V
100
C6205
EY6000
2SA1364-T111-1DE
Q6303
1/10W
RN-CP
0.5%
39k
R6303
1
3
CN6000
3P
AC IN<N>
AC IN<L>
1/10W
RN-CP
0.5%
5.6k
R6201
1/10W
RN-CP
0.5%
4.7k
R6304
1/10W
RN-CP
R6301
5%
10k
1
GND_2
E
ET6001
DIPƒA [ƒX’[ q”Â
E
ET6002
DIPƒA [ƒX’[ q”Â
TH6301
XX
R6308
XX
R6307
XX
R6306
XX
TH6300
XX
XX
R6006
XX
R6008
EY6012
EY6008
EY6002
EY6018
XX
R6005
VD6000
EY6005
XX
R6004
XX
R6000
XX
R6003
XX
R6002
EY6004
XX
EY6009
EY6007
XX
R6007
EY6016
EY6003
EY6017
EY6013
EY6006
XX
XX
R6001
1
23
4
L6002
8.5mH
EY6015
XX
CHIP
R6313
0
XX
C6013
C6003
XX
275V
PT
C6002
0.47
250V
1000p
E
C6000
C6001
XX
C6300
1608
10V
B
1
250V
E
C6005
1000p
C6004
XX
C6008
XX
1608
50V
100p
CH
C6201
C6012
275V
PT
0.22
1608
16V
B
C6301
0.1
630V
0.001
C6203
PP
C6009
XX
1608
16V
0.1
B
C6200
FH6000
FH6001
1/2W
RF
10
R6200
JL6300
D6200
XX
TMP
D6302
XX
D6301
XX
MA111-TX
D6511
MA111-TX
D6303
D6300
XX
50V
2.2
C6202
50V
3.3
C6204
1608
RN-CP
R6329
47k
1/10W
0.5%
1/10W
RN-CP
0.5%
R6542
220k
1
23
4
L6000
8.5mH
1
23
4
L6001
XX
ISA1235AC1TP-1EF
Q6300
2SC3052EF-T1-LEF
Q6301
2SC30
Q
Q6302
XX
1608
25V
0.1
B
C6304
05NU42-TPA2
D6201
XX
C6303
R6330
XX
ISA1235AC1TP-1EF
Q6307
MA111-TX
D6310
1/10W
RN-CP
R6322
5%
22k
1608
25V
0.1
B
C6308
R6331
XX
R6318
XX
C6208
XX
C6207
XX
R6204
XX
D6205
XX
MA111-TX
D6206
TH6302
XX
1/10W
RN-CP
R6332
5%
4.7
1/10W
RN-CP
R6333
5%
68k
MA8220-TX
D6311
50V
C6309
100
1608
1/10W
RN-CP
0.5%
R6335
1k
MA111-TX
D6313
5
JW6103
250V
B
C6011
470p
5
JW6102
FB6002
XX
1
GND_2
FB6003
XX
C6007
B
250V
470p
250V
680p
B
C6010
C6006
250V
680p
B
JW6100
XX
1
GND_2
FB6004
0.45uH
FB6005
0.45uH
JW6101
XX
3216
630V
1000p
C6311
1608
50V
1000p
B
C6310
CHIP
R6336
0
XX
C6312
05NU42-TPA2
D6312
2012
1/10W
RN-CP
R6334
22k
2012
1/10W
RN-CP
R6337
22k
1 Ÿ‘¤ @ PROTECT
PFC | OTP
STBY’â ~‚Å•œ‹A
R6009-OTP
ƒ‰ƒbƒVƒ… §ŒÀ•ÛŒì—p
G3
1C/1
G3.-WAX3F
www.freeservicemanuals.info
5/3/15
Digitized in Heiloo, Holland.

Table of Contents

Related product manuals